Per vedere tutti gli articoli è necessario acquistare Pre-Amplificatori Audio, trovi tutte le indicazioni alla fine della lettura di questo articolo. Grazie
Il pre-amplificatore audio come si deduce dalla parola stessa è un componente utilizzato per amplificare un segnale audio prima dell’amplificazione finale.
Pre-amplificazione e amplificazione finale sono due cose separate da non confondere.
L’amplificazione finale è l’amplificazione del segnale con livello di linea ( 0,770 v – 1,223 v ) fino a valori di potenza ( decine di volt ), realizzata tramite l’utilizzo di amplificatori di potenza chiamati appunto finali di potenza ( fig. 1 ) in definizione dell’ultimo stadio di amplificazione prima della diffusione sonora del cui argomento parleremo in successivi articoli. Questa potenza è generalmente utilizzata per inviare il segnale audio ai diffusori audio passivi ( fig. 2 ) ( fig. 3 ).
fig. 1 
fig. 2 
fig. 3 
In figura 3 un diagramma concettuale dello stadio di amplificazione finale, in cui il segnale a livello di linea, ad esempio quello in uscita dal master out dei mixer audio, viene inviato all’ingresso di un finale di potenza con il compito di elevare il segnale audio ad un livello di potenza cosi da poter alimentare correttamente il diffusore audio per la diffusione sonora.
La pre-amplificazione invece è utilizzata per elevare il segnale di livello microfonico ( millivolt ) a valori di linea ( 0,770 v – 1,223 v ), questo è necessario e fondamentale per poter processare qualitativamente il segnale ( equalizzare, comprimere, gestire linee di output, mixare e tutte quelle operazioni che si possono fare con processori outboard, mixer audio, dispositivi analogici e digitali con gestione del segnale audio a livello di linea ) prima dell’invio ad un finale di potenza.
Il dispositivo che effettua questo tipo di amplificazione si chiama pre-amplificatore microfonico ( fig. 4 ).
fig. 4
In figura 5 un diagramma concettuale dello stadio di pre-amplificazione.
fig. 5 
In figura 5 si capisce come il segnale microfonico, esempio quello in uscita dai microfoni deve entrare in un pre-amplificatore microfonico cosi da poterlo elevare a valori di linea e poter essere correttamente processato ed inviato allo stadio di amplificazione di potenza per la diffusione audio.
Non esistono invece i pre-amplificatori a livello di linea in quanto come vedremo per lavorare sul segnale di linea è necessario prima abbassare il suo valore a livello microfonico per poi essere utilizzati pre-amplificatori microfonici per elevarlo a valori di linea utili per il processamento e mixaggio.
n.b. Un segnale a livello di linea all’interno di apparecchiature audio standardizzate come quelle utilizzate nel mondo audio professionale, oltre a poter creare distorsioni e danni ai componenti sarebbe ingestibile in quanto avrebbe dei valori sempre prossimi allo 0 dB e superiori, senza poter gestire qualitativamente il livello di segnale adeguato da utilizzare per il processamento, registrazione e mixaggio. Per cui viene sempre abbassato a livelli microfonici o prossimi per poi poter essere pre-amplificato e processato correttamente nella giusto livello di amplificazione.
Gli unici pre-amplificatori a livello di linea utilizzati sono quelli per la bilanciatura-sbilanciatura attiva di linea presente nei circuiti di uscita a livello di linea dei più moderni mixer audio analogici e digitali ( Main – Aux – Group – Omni – ecc.. Analog Out ), stage box – splitter attivi fixed gain e digitali ( analog out ) ed alcuni registratori multitraccia ( Analog In e Out a livello di linea ), e nei circuiti di ingresso ( analog input ) a livello di linea dei finali di potenza. Ma questi sono ben differenti da quelli che vedremo essere utilizzati per lavorare il segnale audio, come spiegato nell’articolo Cavi Audio Analogici IV sono circuiti interni all’hardware del processore utilizzato realizzati dal costruttore per le funzioni di bilanciatura del segnale e sono per lo più a guadagno fisso o poco più di 1.
Caratteristiche
Non si può scegliere se utilizzare o meno il pre-amplificatore microfonico, è sempre e comunque necessario prima di una qualsiasi operazione di lavoro sul segnale audio a livello microfonico altrimenti si rischierebbe l’introduzione di rumori di fondo e forti distorsioni sul segnale, ancor più quando lo si eleva ai livelli di potenza.
Per quanto riguarda la forma, le dimensioni ed i componenti utilizzati in un pre-amplficatore microfonico questi sono vari, ogni costruttore ha il suo anche a seconda del periodo in cui è stato costruito, in base alla sua qualità e prezzo.
I pre-amplificatori microfonici possono dividersi in diverse categorie quali:
- Pre-amplificatori microfonici analogici
- Pre-amplificatori microfonici digitali
- Pre-amplificatori microfonici su software
Pre-amplificatori microfonici analogici
I pre-amplificatori analogici sono realizzati utilizzando circuiteria analogica passiva e attiva ( per cui un qualsiasi pre-amplificatore microfonico necessità di alimentazione esterna per il suo funzionamento ), quale Valvole ( i primi sistemi, ancora oggi utilizzati per creare modelli di suono vintage ) e Transistor BJT ( Bipolar Junction Transistor ), ( ancora oggi i più utilizzati ) di cui lo schema ed il componente sono in figura 6.
fig. 6

I pre-amplificatori BJT sono per lo più realizzati utilizzando una struttura di amplificazione in classe A o AB ( esempio in fig. 7 ).
fig. 7 ( schema pre-amplificatore in classe A, da ilprogettista.it )

fig. 8 ( schema pre-amplificatore in classe AB, da ilprogettista.it )

In un contesto reale e più moderno per ottenere livelli di pre-amplificazione più qualitativi, precisi e maggiori livelli di amplificazione senza l’introduzione di distorsioni e rumori di fondo rilevanti, si utilizzano fino a “milioni di questi componenti attivi BJT” che vanno ha formare il cosiddetto amplificatore elettronico a Stato Solido o Circuito Integrato fig. 9 )
fig. 9 
I pre-amplificatori a valvole invece utilizzano una circuiteria con valvole Triodi ed è sempre realizzata una struttura di amplificazione in classe A ( fig. 10 – 11 – 12 ).
fig. 10 ( schema pre-amplificatore valvolare in classe A )

fig. 11 ( schema Triodo )

fig. 12 ( Triodo ) 
L’utilizzo di questi componenti con questo tipo di configurazioni in classe A fa si che l’impedenza di ingresso del pre-amplificatore sia adeguata per ricevere e trasferire correttamente il segnale audio in ingresso ( segnale microfonico ) verso il processo di pre-amplificazione, per amplificare correttamente ed ottenere le migliori prestazioni sul livello di segnale microfonico in tutta la banda audio udibile ( 20 Hz – 20 Khz ) e fino alle più alte dinamiche.
Ogni costruttore ha diverse filosofie su quale sia la miglior impedenza di ingresso e circuito da avere per ottenere un rendimento del 100% ( idealmente ), in casi reali il segnale trasferito verso il processo di amplificazione anche nei più moderni e qualitativi pre-amplificatori non supera il 90% di rendimento.
n.b. Una più bassa impedenza di ingresso rispetto a quella di uscita dal microfono, determina un suono più scuro ed armonico, una più alta impedenza di ingresso determina un suono più chiaro e presente, se troppo alta le basse frequenze e le alte sono le prime a perdersi.
Alcuni circuiti sono sia sbilanciatori attivi che pre-amplificatori ( i più moderni, permettono di ottenere rendimenti superiori ), ( in quanto come abbiamo visto in argomento Cavi Audio Analogici III e IV, il segnale audio bilanciato viene sbilanciato all’ingresso prima di essere pre-amplificato per eliminare tutte le interferenze caricate lungo la linea, ma in generale all’interno delle apparecchiature audio elettroniche e valvolari il segnale audio viaggia e viene processato sbilanciato ).
Altri sbilanciano il segnale con un componente passivo ( il trasformatore a presa centrale ) e poi inviano il segnale verso la pre-amplificazione ( i più vecchi e meno qualitativi ).
In generale non c’è un sistema migliore dell’altro, se guardiamo la qualità e linearità non chè trasparenza del circuito, senza dubbio i pre-amplificatori elettronici allo stato solido in classe A o AB che fungono sia da sbilanciatore che da pre-amplificatore sono i più qualitativi, gli altri hanno ognuno il suo timbro, soprattutto i pre-amplificatori valvolari tendono ad avere un timbro caldo dovuto dall’introduzione di armoniche pari di ordine superiore generate dalle distorsioni delle valvole, gli stessi valori di distorsione sono più gradevoli all’ascolto in pre-amplificatori valvolari che elettronici. Per cui dipende da ciò che vogliamo ottenere, se un suono caldo e vintage senza dubbio optare per i pre-amplificatori valvolari, se un suono puro e trasparente optare per pre-amplificatori elettronici, per il resto tutto da sperimentare, ogni pre-amplificatore ha il suo timbro e le sue caratteristiche.
Esistono anche pre-amplificatori valvolari e a stato solido insieme per delle configurazioni ibride.
Alcuni costruttori usano poi sistemi con più stadi di pre-amplificazione ( sia a stato solido che valvolari ), ritenuti qualitativamente migliori rispetto a quelli a singolo stadio, in quanto ogni singolo amplificatore utilizzato può essere tarato per lavorare in un certo range di amplificazione cosi da introdurre meno distorsioni e rumore di fondo possibile ( es. da 0 a +5 dB con il primo amplificatore, da +5 dB a + 10 dB con il secondo e cosi via ), questo perchè ogni singolo amplificatore può essere tarato nel suo circuito per lavorare con il suo massimo rendimento e massime prestazioni solo per un piccolo range di amplificazione.
n.b. L’inventore dei più stadi di amplificazione, in questo caso 2, fu Western Elecric nel 1913.
n.b. In generale a livello di utilizzo di pre-amplificatori microfonici per ottenere una qualità del segnale audio superiore è sempre consigliato amplificare il meno possibile, tanto più si amplifica e tanto più il pre-amplificatore introdurrà rumori e distorsioni.
Come vedremo più avanti i pre-amplificatori valvolari sono più adatti per utilizzo su hardware esterno, mentre quelli elettronici anche come pre-amplificatori interni ai mixer audio stessi, questo perchè le valvole sono molto fragili, risentono molto di più degli sbattimenti, delle polveri ed umidità, e hanno un tempo di carica per arrivare a regime ( tempo necessario per il caricamento della valvola “che vada in temperatura” cosi da lavorare al meglio ed offrire le massime prestazioni possibili ), per cui necessitano di maggiori accorgimenti tra i quali:
- Accendere per tempo il pre-amplificatori valvolare ( lo stesso discorso vale per qualsiasi dispositivo che utilizzi valvole di amplificazione, come ad esempio i pre-amplificatori da chitarra elettrica e basso elettrico ). Il tempo di carica dipende anche dal numero delle valvole presenti e dalla loro tipologia, i triodi utilizzati per i pre-amplificatori microfonici in 15 – 20 minuti sono a regime, per i pentodi utilizzati in pre-amplificatori di potenza invece occorrono anche 30 minuti.
- Non inviare segnale alle valvole prima che queste siano completamente caricate per non alterare i processi di caricamento che a lungo andare potrebbero rovinare le stesse. Eseguire check sound e recording solo quando le valvole sono a regime.
- Da spento spostare il pre-amplificatore valvolare con accortezza e appoggiarlo delicatamente sulle varie superfici, se il pre-amplificatore è acceso non spostarlo proprio.
- Come ha un tempo di carica quando acceso ha anche un tempo di scarica quando spento, per cui prima di spostarlo aspettare che le valvole siano completamente raffreddate.
n.b. Se il pre-amplificatore valvolare è accesso, è possibile in certi casi vedere le valvole illuminate in quanto caricate ( colore acesso come in figura 13, se ancora spente significa che probabilmente c’è un problema di carica ), urtando l’hardware è in certi casi possibile percepire un suono distorto improvviso, questo ad indicare l’estrema fragilità dei componenti che se scossi tendono a destabilizzare il segnale circolante, fino a rischio rottura. E’ per cui di fondamentale importanza non muovere il pre-amplificatore valvolare quando acceso.
fig. 13 
Impedenza di ingresso
L’uscita di un segnale microfonico come detto ha valori di pochi millivolt di tensione ( generalmente non superiore ai 20 mV – 50 mV ) e l’impedenza di uscita dei microfoni considerando i più comunemente utilizzati ( dinamici e condensatore ) va in media da circa 50 Ω – 100 Ω a 500 Ω – 600 Ω
Per ottimizzare il trasferimento di carico del segnale microfonico verso lo stadio di amplificazione sarà necessario che l’impedenza di ingresso del pre-amplificatore microfonico sia molto superiore a quella di uscita dal microfono o da un qualsiasi dispositivo il cui segnale abbia valori di tensione simili a quello microfonico da inviare ad un ingresso di pre-amplificazione come può essere il segnale in uscita da una D.I..Box. Lo stesso principio visto anche in argomento D.I..Box per l’interfacciamento di linee strumentali e ingressi di D.I..Box.
I rapporti di impedenza utilizzati sono generalmente nell’ordine di un minimo di 1:6 – 1:10 fino anche a 1:20 e più, tanto maggiore sarà il rapporto di trasformazione e tanto più di qualità e quindi anche costoso dovrà essere la componentistica utilizzata.
n.b. Il rapporto di impedenza non è da sottovalutare, in quanto che più è basso e più il microfono tenderà a generare distorsione con meno pressione sonora incidente, quindi un più basso valore di tensione di uscita dal microfono. Per esempio in figura 14 sono indicati i massimi valori di pressione sonora sopportata prima di generare un valore di distorsione THD dell’ 1% considerando due impedenze di ingresso ( pre-amplificatore ) differenti.
Fig. 14 ![]()
Come si nota in figura 14 un’impedenza di ingresso più alta favorisce il corretto passaggio del segnale e quindi minor distorsione fino ad un più alto valore di tensione ( quindi pressione sonora ).
Un diverso rapporto di trasformazione determina spesso anche un diverso timbro sonoro ed una caratteristica univoca di risposta in frequenza e dinamica, tale per cui è utile provare diverse tipologie di pre-amplificatori con diverse tipologie di rapporti di trasformazione al fine di ottenere il suono più utile per il proprio mix.
I pre-amplificatori microfonici valvolari tendono generalmente ad avere impedenze più elevate per caratteristiche naturali della valvola stessa, mentre quelli a circuito integrato sono quelli a più bassa impedenza di ingresso, e come visto insieme alla qualità dei componenti utilizzati e dalle armoniche portate dai componenti stessi utilizzati nel circuito di amplificazione si riescono ad ottenere suoni più colorati e caldi ( valvole ), o suoni più trasparenti e puliti ( circuiti integrati ).
In generale è utile conoscere l’impedenza di uscita del microfono utilizzato per associare ad esso il pre-amplificatore microfonico con l’impedenza di ingresso più adatta ( che rispetti un rapporto di trasformazione minima di almeno 1:6 – 1:10 ).
n.b. In caso di rumore di fondo sulla linea provare ad utilizzare un rapporto di trasformazione più grande.
Ma anche questo può essere tutto il contrario di tutto in quanto esistono pre-amplificatori microfonici di qualità con bassi rapporti di trasformazione che suonano meglio di pre-amplificatori con alti rapporti di trasformazione, è utile quindi provare seguendo sempre e comunque queste linee guida che sono la base fondamentale per conoscere la struttura ed il funzionamento di pre-amplificatori microfonici.
n.b. Non si utilizzano invece pentodi o valvole di ordine superiore in quanto presentano un’impedenza di ingresso troppo elevata e caratteristiche non adatte all’amplificazione di segnale audio di basso livello come quello microfonico, lo stesso discorso vale per l’utilizzo di amplificatori elettronici come i mosfet, sia pentodi che mosfet come vedremo viste le loro caratteristiche sono invece più utilizzati per l’amplificazione finale di potenza.
Per fare alcuni esempi in caso di utilizzo di un microfono con impendenza di uscita di 250 Ω è utile interfacciare ad esso un pre-amplificatore microfonico con impedenza di ingresso di minimo 1500 Ω.
n.b. In media l’ingresso di pre-amplificazione microfonica utilizzato nei mixer audio analogici e digitali con ingresso analogico ha un impedenza che non è mai inferiore a 1500 Ω. A livello di pre-amplificatori ouboard si possono trovare impedenze anche nell’ordine dei 4000 Ω – 5000 Ω, ma anche 300 Ω.
Segnali a livello di linea
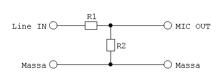
Se abbiamo un segnale bilanciato o sbilanciato a livello di linea come facciamo ?
Un esempio può essere il segnale in uscita da chitarre elettroacustiche, tastiere, batterie elettroniche e campionatori.
Come definito sarà necessario abbassare il livello di tensione a valori microfonici, e per fare questo si interpone una resistenza di 20 KΩ prima dell’arrivo del segnale al pre-amplificatore microfonico ( fig. 15 ).
fig. 15 ( esempio illustrativo della presenza di una resistenza sul segnale di linea prima del pre-amplificatore microfonico ).

L’ingresso per i segnali a livello di linea viene spesso chiamato Line In nei mixer audio analogici ( fig. 16 ) o pre-amplificatori su hardware esterno o ingresso analogico di mixer audio digitali di vecchia concezione ( fig. 17 ), ed è sempre su connessione Jack TRS proprio perchè gli strumenti il cui segnale in uscita è a livello di linea passa su connessione Jack TS o TRS, mentre per le stage box – splitter analogici attivi questo tipo di ingresso non è previsto in quanto che il loro scopo è trasferire segnale microfonico per lunghe tratte, mentre il segnale di linea in uscita dai vari strumenti musicali è sempre sbilanciato ( se è bilanciato accertarsi che il livello del segnale sia quello microfonico altrimenti interporre una D.I. Box o entrare all’ingresso di linea del mixer audio ).
Alcuni mixer audio soprattutto artigianali anche di alto livello, possono eventualmente presentare ingressi di linea bilanciati su XLR.
fig. 16 
fig. 17 
In figura 18 un esempio grafico del collegamento di segnale a livello di linea in pre-amplificatori microfonici per poter essere ad esempio processato e mixato con i segnali audio microfonici.
fig. 18 
Questo esempio è riferito ad una configurazione con il mixer audio in prossimità dello strumento che invia il segnale di linea sbilanciato ( entro 10 metri ).
In figura 19 invece un esempio considerando di inviare il segnale a distanze maggiori di 10 metri che come sappiamo si necessità di trasformare il segnale sbilanciato in bilanciato.
fig. 19 
Nell’esempio è chiaro come interponendo una D.I. Box è possibile portare il segnale di linea sbilanciato in un ingresso microfonico bilanciato eventualmente interponendo pad di attenuazione direttamente dalla D.I. Box o dal pad presente nel mixer audio se il segnale di arrivo è troppo elevato.
n.b. In realtà il segnale a livello di linea anche dopo l’inserimento della resistenza da 20 KΩ o di una D.I. Box è prossimo a quello microfonico, generalmente + 5 dB / + 6 dB in più del livello medio microfonico. Non c’è un valore resistivo ideale da interporre sulla linea per ottenere un reale segnale di livello medio microfonico in quanto il livello del segnale di linea che risulterà dopo la resistenza da 20 KΩ dipenderà fortemente dall’impedenza di uscita dello strumento dal quale si preleva il segnale a livello di linea, dall’impedenza complessiva del circuito compreso quella del cavo in cui passa il segnale e tanti altri fattori.
Se il segnale di linea lo si vuole inserire in un ingresso microfonico come visto in argomento D.I. Box e nell’esempio in figura 16 è necessario introdurre appunto la D.I. Box che oltre a bilanciare permette di adattare il livello di segnale ed impedenza per lo standard microfonico. In questo caso è possibile, se il segnale è comunque di livello troppo alto, inserire le ulteriori resistenze ( pad ) presenti nelle D.I. Box generalmente con attenuazione del livello di segnale di 10 dB e/o 20 dB da utilizzare in sostituzione della resistenza di 20 KΩ presente nell’ingresso di linea del mixer audio o pre-amplificatore microfonico esterno, potendo collegare il segnale direttamente all’ingresso microfonico bilanciato.
In campo analogico o digitale di vecchio stampo in ogni caso con utilizzo di D.I. Box è sempre più qualitativo attenuare a monte, quindi utilizzare gli attenuatori della D.I. Box e poi entrare nell’ingresso microfonico del pre-amplificatore, a meno di non avere dei pad di attenuazione interni al mixer audio utilizzato molto più qualitativi o che generino minor rumore rispetto a quelli della D.I. Box utilizzata.
In campo digitale moderno alcuni mixer audio hanno il pad di attenuazione a livello digitale e/o software, ma il principio è lo stesso, utilizzare l’attenuatore della D.I. Box a meno che il pad del mixer non generi un rumore di fondo minore.
A livello di mixer audio digitali di moderna concezione il line input non esiste ( fig. 20 ), ma sono presenti solo ingressi microfonici bilanciati XLR.
fig. 20 
Questo perchè vengono utilizzati gli stessi convertitori A/D sia per il processo di sbilanciamento del segnale bilanciato, conversione analogico/digitale che pre-amplificazione, e garantiscono di ottenere un livello di impedenza di ingresso molto elevato anche con rapporti di trasformazione da 1:20 a 1:40 ( esempio da 5 KΩ a 10 KΩ ) garantendo altissime prestazioni senza perdite di qualità. Per cui come si capisce sono ingressi microfonici che possono anche essere utili per ricevere un segnale a livello di linea, generalmente poi introducendo un pad con 10 dB di attenuazione.
n.b. Introducendo il PAD si introduce una resitenza sul segnale di ingresso che porta ad un innalzamento della resistenza complessiva, è bene quindi sapere questo per il corretto interfacciamento dei microfoni con gli ingressi di pre-amplificazione. Se si vuole evitare la resistenza del PAD o semplicemente perchè non è un attenuatore di qualità, è possibile prelevare il corretto segnale in input senza che arrivi in distorsione e poi inserirlo digitalmente, il processo digitale è completamente trasparente (se di qualità), in quanto che è solo un’operazione matematica di attenuazione sul segnale audio digitale campionato.
In alcuni casi è comunque possibile trovare se pur limitati ingressi di linea analogici con convertitore A/D ma denominati AUX IN ( fig. 21 ), utilizzabili generalmente per prelevare segnale a livello di linea da outboard esterni ( come processori di frequenza e dinamica ) in sostituzione di quelli presenti all’interno del mixer audio digitale.
fig. 21 ![]()
Vista la resistenza di ingresso di 20 KΩ a volte anche 40 KΩ se l’impedenza complessiva di ingresso è determinata anche dal convertitore A/D è possibile comunque utilizzarli anche come ingressi di linea a cui collegare il segnale di linea in uscita dagli strumenti musicali, registratori multitraccia, ecc…
Per inviare un segnale già pre-amplificato da un pre-amplificatore microfonico esterno è possibile a livello di routing interno al mixer audio digitale impostare questa connessione AUX IN come ingresso di Insert, in modo tale da bypassare il pre-amplificatore già presente in questo ingresso.
Note sui Trasformatori
Per tutti i pre-amplificatori che presentano trasformatore di ingresso e /o uscita, come visto e come verrà visto in questa serie di articoli e anche altre argomentazioni a parte, la struttura, forma, dimensioni, materiali utilizzati fanno dipendere le capacità di potenza, risposta in frequenza, dinamica ecc…
In linea generale pre-amplificatori più scarsa qualità hanno trasformatori con lamine in Ferro (con distorsioni più evidenti in bassa frequenza), anche se spesso vengono utilizzati come alternativa ad altri per avere diverse colorazioni del segnale audio. Quelli più qualitativi in Nichel e Cobalto (generalmente anche i più costosi), ma si possono trovare anche altri materiali, ci sono poi un mix di materiali (anche se qualitativamente non consigliato, per via delle differenze di fase, aumenti di velocità e/o rallentamenti, risonanze varie, derivate dal segnale che passa attraverso differenti stati di materia).
E’ quindi bene scegliere il pre-amplificatore che si avvicini di più anche alle caratteristiche tonali ricercate, ed il trasformatore è il principale componente che da questa variabile.
Preamplificatori Microfonici da me consigliati:
Altro su Pre-Amplificatori Audio:
ARTICOLI CHE POTRAI VEDERE ACQUISTANDO Pre-Amplificatori Audio
Pre-Amplificatori Audio – II ( Inboard ed Outboard )
Pre-Amplificatori Audio – III ( Controlli di Pre-Amplificazione )
Pre-Amplificatori Audio – IV ( Utilizzo Pre-Amplificatori, Pre-Amplificatori Microfonici Digitali )
Pre-Amplificatori Audio – V ( Utilizzo Pre-Amplificatori Microfonici Digitali, Pre-Amplificatori su Software, Specifiche Tecniche )
Presenta anche un Crunch (spesso utilizzato nei pre-amplificatori da chitarra elettrica), con il quale è possibile introdurre colorazioni del suono attraverso valori di distorsione, caratteristici degli anni ’60 o ’70 a scelta, e attraverso il controllo Iron è possibile gestirne il quantitativo da miscelare insieme all’audio pulito.
Questo sopra è anche un processore Ibrido, nel senso che ha nella circuiteria di sinistra una pre-amplificazione valvolare e nella circuiteria di destra una circuiteria attiva.
Nel prossimo articolo vedremo in dettaglio i componenti che maggiormente troviamo nei pre-amplificatori microfonici per la gestione del segnale audio.
Preamplificatori Microfonici da me consigliati:
Acquista Pre-Amplificatori Audio dai principali Store
Pre-Amplificatori
Plugin e Software
Interfacce Audio
Pre-Amplificatori Audio – III
Controlli di pre-amplificazione
Quasi la totalità dei controlli per gestire il segnale da pre-amplificare si trova nella parte frontale dell’hardware, che sia Inboard o Outboard.
I principali controlli presenti nei pre-amplificatori microfonici Inboard sono:
- Gain, Mic gain, Mic Level, Gain, Input Gain, Input Level, Preamp Gain, Sens ….
Vari nomi può avere il controllo del livello di amplificazione del segnale microfonico.
L’amplificazione del livello di segnale determina un’innalzamento del valore della tensione in quanto che il segnale è sottoforma di impulsi elettrici, questa variazione di livello è chiamata Guadagno ( Gain ).
Il guadagno, oltre a quanta amplificazione diamo può identificare anche il rapporto di amplificazione 1:x, rapporto che rappresenta il valore 1 come il livello del segnale in ingresso ed il valore x come il livello di amplificazione data.
Il controllo del guadagno a livello analogico è generalmente un pulsante rotativo di colore rosso o bianco ( bianco quasi sempre per il controllo dell’amplificazione di linea se presente ) per gli Inboard, e vari colori per Outboard con forme tipo ( fig. 1 ), più moderno e ( fig. 2 ), più vintage.
fig. 1 ![]()
fig. 2 
La dimensione e grandezza del pulsante rotativo dipende dalla filosofia di costruzione, non esiste uno standard.
L’amplificazione è generalmente data spostando il pulsante rotativo verso destra, tutto in estrema sinistra abbiamo il minimo valore di amplificazione, tutto in estrema destra abbiamo il massimo valore di amplificazione, per cui un pulsante rotativo analogico non ruota di 360° ( solo in alcuni casi può rotare di 360° ma compiere un solo giro ), ha un raggio di rotazione stabilito dal costruttore anche in base alla risoluzione di amplificazione data. Più è preciso nell’offrire step di amplificazione ( esempio un pre-amplificatore che offre 3 dB di amplificazione ogni 10 mm di spostamento del pulsante rotativo è più risolutivo di uno che ne offre 5 dB per lo stesso spostamento ), e tanto più potrebbe essere il raggio di rotazione imposto dal costruttore per permettere all’utente di agire su ogni step.
Sono sempre pulsanti lineari e non selettori, con un movimento del pulsante fluido ( più professionali ) o a step ( meno professionali ).
In altri casi ( più rari ) è possibile anche trovarli come in figura 3, in cui il controllo di guadagno è una vite generalmente a taglio ma a volte anche a stella. Utile soprattutto per moduli in installazioni fisse, cosi da evitare un accidentale modifica soprattutto da personale non addetto.
Fig. 3 
A livello digitale invece si presentano come un controllo logico ( encoder ) che ruota all’infinito ( fig. 4 ) ( fig. 5 ), l’amplificatore seguirà la rotazione ( sempre minima verso sinistra e massima verso destra ) fino ai suoi minimi e massimi valori indipendentemente dal raggio compiuto dal pulsante rotativo. Un pre-amplificatore digitale offre generalmente una risoluzione maggiore rispetto ad uno analogico e permette di raggiungere amplificazioni più elevate con minimi valori di distorsione.
fig. 4
fig. 5 
Il pre-amplificatore microfonico analogico si usura più rapidamente nel tempo rispetto a quello digitale dovuto ai continui stress portati dalla rotazione del pulsante rotativo, in quanto ad esso collegato per un movimento meccanico, ma ha il vantaggio di soffrire meno della componente umidità e polveri e di avere una risposta molto rapida.
Il pre-amplificatore digitale si usura meno in quanto il controllo dell’amplificazione è logica per cui girando il pulsante rotativo arrivano impulsi elettrici al modulo di amplificazione che provvede ad amplificare ( per cui non è direttamente connesso ad operare un movimento meccanico ). Si usura più rapidamente nel tempo di quello analogico se sottoposto a condizioni non favorevoli come umidità e polveri.
Un pre-amplificatore analogico risulta per cui più rapido nel processo di amplificazione, anche se allo stato attuale anche i controlli di guadagno dei pre-amplificatori digitali hanno tempi di risposta molto rapidi, prossimi a quelli analogici.
Il pre-amplificatore analogico ha anche il vantaggio di essere più rapido nei processi di amplificazione, esempio se porto in modo rapido il pulsante rotativo verso estrema destra, il pre-amplificatore analogico arriverà prima al valore massimo di amplificazione rispetto a quello digitale, proprio perchè il controllo è meccanico e diretto sull’amplificatore.
Il pre-amplificatore digitale come anche tutti i componenti digitali utilizzati in ambiente audio, offre migliori prestazioni sulla qualità del segnale audio rispetto a quello analogico, migliore linearità della risposta in frequenza, minor distorsioni armoniche e rumori di fondo, ha una dinamica ed un valore massimo di amplificazione inferiore rispetto a quello analogico, ma i più moderni arrivano ad essere prestanti come quelli analogici anche su questi parametri.
Quasi tutti i pre-amplificatori digitali che utilizzano amplificazione digitale possono anche attenuare, di circa – 2,5 dB.
Unity Gain, utilizzato per lo più nei pulsanti rotativi analogici, veniva utilizzato per definire uno standard di amplificazione che determina l’amplificazione con il raggiungimento del livello di linea considerando un segnale di linea all’ingresso e definisce il fatto che l’amplificatore ha amplificato il quantitativo di compensazione della resistenza di ingresso. A volte può esserci anche in riferimento al segnale microfonico in ingresso, e va a considerare l’attenuazione data dalla resistenza presente nell’ingresso microfonico.
Alcuni pre-amplificatori analogici nel controllo del guadagno indicano questo valore come 0 dB o come U ( Unity Gain ) ( fig. 6 ).
fig. 6 
Non tutti ma molti pre-amplificatori microfonici hanno un minimo di guadagno già di base e non attenuabile ( minimo valore possibile ), di circa + 3 dB / + 5 dB a volte anche +12 dB / + 20 dB ( ogni 6 dB di guadagno è un raddoppio del livello di tensione ), visibile anche dalla numerazione che indica i valori di guadagno presente nel pulsante rotativo come si vede in figura 23 in cui il minimo valore è + 12 dB.
Anche i pre-amplificatori che indicano come valore minimo il guadagno di 0 hanno il più delle volte un minimo di amplificazione di base ( fig. 7 ).
fig. 7 
La numerazione come si vede anche in figura 7 indica il livello di guadagno dato dal pre-amplificatore, tanto più alto sarà e tanto più di qualità saranno anche le capacità del pre-amplificatore stesso, ma come detto è sempre più qualitativo se non necessario, non amplificare.
Il controllo del guadagno per il segnale nell’ingresso microfonico è sempre positivo come si vede anche dalle figure 6 e 7, mentre quello per il controllo del segnale di linea parte da valori negativi fino a valori di amplificazione positivi, in quanto è presente una resistenza all’ingresso ( fig. 8 ).
fig. 8 
Come si vede in figura 8 il minimo valore è – 20 dB ad indicare che all’ingresso di linea c’è una resistenza che attenua il livello di segnale di – 20 dB per portarlo a valori microfonici. Il pulsante rotativo di amplificazione del segnale di linea ha una scala inferiore rispetto a quella del pulsante rotativo del segnale microfonico in quanto come detto nel precedente articolo il segnale di linea non raggiunge proprio valori simili a quelli microfonici ma ha qualche decibel in più e per cui necessità di minor amplificazione per raggiungere livelli di linea.
Quando si usa lo stesso pulsante rotativo per operare sul livello di guadagno di un pre-amplificatore che amplifica sia il livello del segnale nell’ingresso microfonico che di linea, questo avrà due scale, una per il guadagno microfonico ed una per il guadagno di linea ( fig. 9 ) ( fig. 10 ).
fig. 9 
La scala che presenta anche valori negativi è sempre quella riferita al segnale di linea, mentre quella con valori solo positivi è riferita all’ingresso microfonico.
fig. 10 
Alcuni pre-amplificatori microfonici analogici possono avere lo stesso pulsante rotativo per il controllo del guadagno ma diversi amplificatori ( uno per il segnale di input microfonico ed uno per il segnale di input di linea ) ( fig. 10 ).
Quando c’è questa soluzione è possibile muovere su e giù il controllo rotativo, generalmente quando è giù, lavorerà sull’amplificatore nell’input microfonico e quando su sull’amplificatore nell’input di linea. La posizione da tenere la si vede generalmente da dove sono posizionate le scritte mic ( sotto ) e line ( sopra ).
In altri casi c’è un selettore per decidere quale ingresso inviare al circuito di amplificazione.
In alcuni casi come per il pre-amplificatore con il controllo del guadagno in figura 10, quando il cursore è posizionato su Off significa che il pre-amplificatore non fornisce guadagno al segnale che lo attraversa. Questo tipo di pulsanti rotativi generalmente presentano scale tipo quella in figura 9 differente dalle scale viste per i pre-amplificatori utilizzati sia per amplificare il segnale in ingresso microfonico che linea visto in figura 9.
Alcuni controlli rotativi, soprattutto quelli di una volta, possono presentarsi come quello in figura 11.
fig. 11 
La dicitura sens non è più utilizzata se non in apparecchiature vintage, la scala è espressa in dBm in quanto come visto in argomento Decibel e Meter I una volta si utilizzavano circuiti per massimizzare il trasferimento di potenza e non di tensione come adesso.
La scala come si nota parte da un valore positivo + 4 dBm che indica il livello di tensione necessaria per raggiungere il valore di livello operativo di linea, via via la numerazione va in calando fino al valore di – 50 dBm che indica quanto in meno di amplificazione è necessario per ottenere un livello di tensione a livello di standard operativo di linea ( misure fatte tramite un segnale di test, per cui non da prendere come riferimento per i comuni valori dei segnali microfonici utilizzati, e questa è anche la causa per cui questo tipo di scala è caduta in disuso ).
Per i pre-amplificatori microfonici analogici con doppio amplificatore ( uno per l’ingresso microfonico ed uno per l’ingresso di linea ) avremo appunto due pulsanti rotativi separati per il controllo del guadagno, con propria scala, una microfonica ed una di linea ( fig. 12 ).
fig. 12
( rosso è il mic, bianco il line ).
A livello digitale invece i pulsanti rotativi non presentano quasi mai i numeri di guadagno (fig. 13 ), questo perchè già sono molte le grafiche ed indicazioni ricevute date dai meter digitali e software presenti nei mixer audio digitali o outboard digitali e soprattutto perchè il pulsante può roteare all’infinito per cui impossibile da definirne i valori in base alla sua posizione.
fig. 13 
Alcuni pre-amplificatori microfonici analogici come quello in figura 14 o 15, possono avere un controllo sulla variazione di impedenza dell’ingresso microfonico, in modo da porre più o meno resistenza a seconda dell’impedenza di uscita del microfono ad esso collegato anche in base al timbro di suono generato.
fig. 14 ![]()
Quelli in figura 10 e 14 sono controlli con variazioni di impedenza fissa, mentre in figura 15 un esempio di controllo con variazioni di impedenza decisa dall’utente.
fig. 15 
Vicino od in prossimità dei controlli del guadagno c’è sempre un led per la segnalazione dei valori di distorsione chiamato OL ( over load ), Clip, ed altri nomi, ( posto a volte direttamente nel meter o in sostituzione al meter stesso ) ( fig. 16 ) ( fig. 17 ).
fig. 16
fig. 17 
Alcuni pre-amplificatori microfonici soprattutto Outboard analogici possono presentare connessioni Insert ( fig. 18 ) ( fig. 19 ), utili per inserire lungo la linea processori di frequenza e/o dinamica esterni con connessioni analogiche.
fig. 18 
In figura 18 una connessione Insert con send e return nella stessa connessione.
fig. 19 
In figura 19 una connessione Insert con send e return separati.
Entrambe le connessioni possono essere facilmente ritrovabili nella parte posteriore dell’hardware.
Altri Parametri di controllo
I parametri di controllo più diffusi presenti nei pre-amplificatori microfonici Inboard e Outboard sono:
- Phantom Power a + 48 V ( fig. 20 ) ( fig. 21 ) ( fig. 22 ).
fig. 20
fig. 21
fig. 22 ![]()
In alcuni pre-amplificatori è possibile trovare anche valori di phantom differenti, utili ad alimentare apparecchiature con differente voltaggio.
- Pad di attenuazione ( fig. 23 ) ( fig. 24 )
Utile se il livello di ingresso, soprattutto quello di linea ha valori troppo alti che portino a livelli di distorsione o prossimi.
fig. 23
fig. 24 ![]()
Generalmente il Pad ha un valore di attenuazione di 20 dB ma se ne possono trovare anche a 10 dB e 30 dB e anche con un variatore del livello di attenuazione.
- Inversione di Fase ( fig. 25 ) ( fig. 26 ) ( fig. 27 )
Utile per invertire la polarità del segnale audio in caso che questo porti ad una controfase nel processo di mixaggio con altri segnali audio.
fig. 25
fig. 26
fig. 27 
La simbologia utilizzata è per lo più quella in figura 25-26-27, ma a volte è possibile anche trovare Phase Rev, o Phase Reverse ( fig. 28 ).
fig. 28 
- Filtro Passa Alto o Low Cut ( fig. 29 ).
Utile per eliminare dal segnale frequenze non desiderate all’interno del mix ( vedremo poi in successive argomentazioni l’utilizzo dei filtri e la loro struttura ).
fig. 29 
Molto spesso con la possibilità di scegliere la frequenza di taglio come in figura 29 ( soprattutto negli Outboard, Inboard di alto livello, e filtri nei mixer digitali ) o con taglio fisso ( fig. 30 ) ( più diffuso negli Inboard e mixer analogici generalmente a 75 Hz, 80 Hz o 110 Hz, a volte viene indicata la frequenza di taglio e anche la pendenza del filtro ) ( fig. 31 ).
fig. 30 ![]()
fig. 31 ![]()
Alcuni Inboard – Outboard professionali e mixer digitali hanno anche il filtro passa basso o hi-cut ( fig. 32 ) ( fig. 33 ).
fig. 32 
fig. 33 
Il filtro come anche tutti gli altri parametri è sempre da attivare se lo si vuole usare, premendo sul relativo pulsante meccanico o logico.
Alcuni di livello professionale possono anche decidere la pendenza del filtro ( fig. 34 ).
fig. 34 
La quale scala può essere rappresenta in dB/Oct oppure in Ordini.
Quelli appena visti sono pulsanti a livello analogico, mentre a livello digitale si presenta come un pulsante rotativo infinito ( fig. 35 ), generalmente con scala superiore a quelli analogici e step pressochè infiniti in quanto il taglio delle frequenze è eseguito a livello software ( può avere step anche di 1 frequenza alla volta ), mentre a livello analogico il filtro è meno selettivo e lavora con margini più alti.
fig. 35 
Possono essere presenti anche pulsanti di Mute ( per disattivare il pre-amplificatore ), Bypass ( per sentire la differenza di livello tra il segnale originale e quello amplificato e/o processato ).
Altri pre-amplificatori microfonici come quello di figura 36, presentano una funzione Color o Color Gain, presente più che altro nei pre-amplificatori completamente attivi quindi senza la presenza di circuiterie passive, in questo caso variando il potenziometro Color, è possibile introdurre le distorsioni caratteristiche di un trasformatore passivo, in altri casi è possibile inserirlo tramite apposito selettore o inserire un circuito valvolare, sempre a simulare le colorazioni introdotte dalle circuiterie passive.
Fig. 36

In figura 37 un pre-amplificatore microfonico con il quale è possibile attraverso il selettore (fig. 38) selezionare il tipo di ingresso desiderato, tra quello microfonico, di linea, o anche attraverso una card opzionale (fig 39), nel quale slot possibile inserire
In questo caso la Phantom di alimentazione (+ 48V) è data portando questo selettore tutto a destra. E’ possibile inoltre variare l’impedenza di ingresso microfonico ( tra 50 e 200 Ohm ), variando il selettore Impedance tra A – B – C – D per adattarla alle più svariate esigenze in base all’impedenza di uscita del microfono come vederemo più avanti e visto anche in altre argomentazioni come le D.I. Box.
Fig. 37

Fig. 38

Fig. 39 

Preamplificatori Microfonici da me consigliati:
Acquista Pre-Amplificatori Audio dai principali Store
Pre-Amplificatori
Plugin e Software
Interfacce Audio
Pre-Amplificatori Audio – IV
Link
Alcuni pre-amplificatori microfonici sia Inboard che Outboard analogici o digitali hanno la funzione Link.
Il link a livello analogico è attivabile tramite pulsante meccanico ( fig 1 ) o logico ( fig. 2 ) e permette di controllare in remoto l’amplificatore del canale subito linkato, esempio se linko canale 1 e canale 2, il controllo del guadagno del pre-amplificatore 2 sarà disabilitato e controllato in remoto dal pre-amplificatore del canale 1.
fig. 1
fig. 2 ![]()
A livello analogico in alcuni mixer audio soprattutto quelli di alto livello ma anche in alcuni Outboard multicanale è possibile gestire in link solo i livelli di amplificazione ( alcuni anche i fattori di compressione ed equalizzazione ), mettendo in link generalmente solo una coppia di canali e sempre con un ordine canale dispari e canale pari tipo: canale 1 con canale 2, canale 3 con canale 4 e cosi via, mai con ordine canale pari e canale dispari tipo: canale 2 con canale 3 ecc..
Può avere vari nomi, da Link a Group a Couple.
A livello digitale il link tra i canali è impostabile a livello software ( fig. 3 ) ed è sempre a coppie ma in alcuni mixer professionali è possibile decidere anche quali canali linkare come ad esempio il canale 1 con il canale 3, il canale 5 con il canale 10 ecc., mentre in altri è possibile linkare anche più di due canali.
fig. 3 ![]()
Sempre a livello digitale il processo di linking è più completo ed efficace in quanto che rispetto ai sistemi analogici il processamento avviene tutto a livello software con minimi errori ed alterazioni del segnale come invece avviene nei sistemi analogici. A livello digitale tutto il canale viene messo in link, compreso il fader per il controllo del livello di mixaggio, reparto dinamica ed equalizzazione ( a volte con la possibilità di scegliere cosa linkare anche tra i parametri di controllo del segnale audio ), qualsiasi operazione eseguita viene copiata nel o nei canali linkati. Nel caso di pre-amplificatori digitali ogni amplificatore linkato è un controllo del guadagno di ingresso, il livello di amplificazione lo posso gestire da qualunque controllo di guadagno di qualunque canale linkato. Portando ad esempio il guadagno del primo canale in link a + 10 dB anche tutti i guadagni degli altri canali in link si porteranno a quel livello di dB, se dal canale 2 in link vado poi a ridurre di – 5 dB, tutti i pre-amplificatori con il guadagno in link a + 10 dB si porteranno con guadagno a + 5 dB.
In questo caso di link digitale non si parla di controllo remoto, ma di controllo parallelo.
Gli unici parametri che generalmente non sono linkabili ( se non in alcuni casi attraverso impostazioni di routing e setup interno nei mixer digitali ) sono il Pan o Bal e il livello delle mandate Aux o Bus, per permettere sempre ed in modo indipendente il posizionamento del segnale verso l’uscita desiderata.
n.b. Nei più moderni mixer digitali è possibile anche linkare i Bus che regolano il routing delle uscite. Mentre linkando due canali il Pan, generalmente, si porta automaticamente in configurazione stereo ( il primo canale linkato si porta verso estrema sinistra, il secondo verso estrema destra ).
In figura 4 un pre-amplificatore che presenta un Link diverso dai soliti appena visti. In questo caso il pre-amplificatore microfonico da la possibilità di seguire in modo indipendente 2 stadi di amplificazione, di cui il primo con un Range da 22 a 40 dB ed il secondo che si attiva quando il primo potenziometro è portato su Link, da 43 dB a 64 dB. Questo permette di avere un controllo ancora più raffinato sul processo di amplificazione.
Fig. 4

Si nota anche con il Guadagno sia numericamente indicato con precisione su apposito monitor grafico logico.
Altro
In figura 5 un’altro esempio di Pre-Amplificatore microfonico con doppio stadio di pre-amplificazione, in questo caso lavorano in parallelo ed il secondo è un Trim (quindi come un amplificatore Slave, dipendente quindi dal Guadagno dato dal potenziometro principale), con la caratteristica di effettuare guadagni più precisi e fini.
Fig. 5

Il pre-amplificatore di figura 6 presenta anch’esso una circuiteria a due stadi, ma in questo caso Gain e Level, il Level non è altro che un Trim che rifinisce l’amplificazione successivamente a quella data dal Gain, in pratica gestisce il livello di uscita del segnale audio (questo soprattutto se non di qualità può però spesso portare a maggiori colorazioni e distorsioni sul segnale audio, rispetto a moduli di pre-amplificazione con solo il Gain per la gestione del livello di ingresso). Ha una diversa risoluzione, generalmente più precisa e meno amplificante, che consente di creare un offset più preciso sul livello del segnale audio, potendo più precisamente aumentare o calare il livello del segnale preparandolo per lo stadio successivo. Anche questo presenta il LO-Z per variare l’impedenza di ingresso cosi da ottenere diverse colorazioni della risposta in frequenza. I riferimenti numerici per il Guadagno e Trim possono a volte come in questo caso essere generici (da 0 a 10), fare quindi rimento al manuale in caso che si voglia sapere esattamente quanto guadagno da il pre-amplificatore ed il trim.
Fig. 6

n.b. All posto del Trim di uscita può essere in certi casi utile la presenza di un attenuatore variabile come visto in molti casi analizzati, può essere utile utilizzarlo al posto del PAD, o nel caso in cui il PAD non sia previsto, cosi da mantenere l’impedenza di ingresso definita dal pre-amplificatore ma allora stesso tempo gestire in pieno controllo il livello di segnale, facendo però attenzione a non mandare in distorsione l’ingresso del primo stadio di amplificazione, come nel caso del pre-amplificatore di figura 7.
Fig. 7

Nel caso di figura 8 è possibile scegliere tra 3 diversi tipi di circuiti (quelli con trasformatore tra nickel e trasformatore in acciaio, oppure circuiteria attiva discreta, quindi senza trasformatori, ottenendo cosi diverse colorazioni del segnale audio amplificato.
Fig. 8

In figura 9 un Channel Strip in cui è possibile tramite variatore, impostare l’impedenza di ingresso desiderata fra i valori 200 Ohm e 5 KOhm.
Fig. 9

E’ anche possibile nella sezione di Output impostando il selettore su SideChain (S.C. Mon), avere un pre-ascolto (in Solo) del segnale che entra nel compressore, quindi poter verificare differenze tra il segnale prima e dopo il processamento.
Fig. 10

Fig 12
In figura 12 un Channel Strip che presenta solo selettori di controllo, nella sezione di Gain viene indicato vicino i relativi valori per l’amplificazione di linea. Presenta il parametro Function con il quale è possibile variare l’impedenza di ingresso che in questo caso è singola e l’impedenza la si decide qua, quindi microfonica se colleghiamo un microfono, un impedenza a livello di linea se abbiamo collegato un segnale di linea, inserimento di un PAD, ed infine la funzione Pullet in caso che all’ingresso abbiamo collegato un equalizzatore nello specifico di questo produttore il Pullet Eq, cosi che il suo livello possa essere gestito a livello di linea.
Fig. 12

Meter di controllo
Il meter per il controllo del segnale in pre-amplificatori microfonici, sia Inboard che Outboard è sempre dato sul livello di segnale in uscita, cosi da poter amplificare quanto necessario facendo attenzione a non portare il segnale in distorsione, ed è analogico ( in mixer audio analogici o digitali di vecchio stampo, generalmente True Peak Meter se il pre-amplificatore è attivo (fig. 12 ), o VU Meter se il pre-amplificatore è a valvole (fig. 13 ) ), oppure digitale ( se il mixer è digitale moderno ed il pre-amplificatore determina anche la conversione A/D ) ( fig. 14 ). Questo è posto al termine della struttura dello stadio di amplifcazione in modo da poter visualizzare il vero livello di segnale dopo l’utilizzo anche degli eventuali altri componenti ( pad, low cut, processore dinamica, equalizzatore, ecc. ).
fig. 12
fig. 13 
fig. 14 ![]()
A volte non è presente nemmeno un meter ma solo un led di controllo rosso per segnalare un livello di distorsione ( fig. 15 ) nominato generalmente Sign o Overload.
fig. 15 
I meter analogici e digitali Inboard presenti nei mixer audio sono spesso ( ma non sempre ) meter con scale e risoluzioni inferiori a quelli presenti negli Outboard e per questo si appoggiano tutti a rack meter alloggiati nel mixer audio stesso ( fig. 16 ) ( che siano hardware o software ) o esterni ( fig. 17 ).
fig. 16 
fig. 17 
In alcuni mixer è possibile impostare la posizione del meter di controllo, esempio da dopo il pre-amplificatore di ingresso ed eventuali componenti di attenuazione, fase e filtro a dopo lo stadio di compressione e dinamiche varie, a dopo lo stadio di equalizzazione, comunque e sempre pre fader.
Altro
Ogni Inboard o Outboard pre-amplificatore, a discrezione del costruttore può presentare differenti componenti con cui l’utente può agire per gestire il segnale audio in esso circolante, ovviamente più ce ne saranno e soprattutto se di qualità e tanto più il pre-amplificatore microfonico sarà costoso.
Dove posiziono il pre-amplificatore Outboard Analogico ?
La posizione ideale è sempre quella vicino alla postazione di mixaggio ( postazione F.O.H. o Control Room ) in quanto che il fonico dovrà poi poter agire direttamente sui livelli di amplificazione in fase di check sound, registrazione, mixaggio, ecc.., magari posizionato all’interno di rack insieme ad eventuali altri processori, e se in studio cablato eventualmente in pachbay, facendo sempre attenzione che sia sempre ben areato in quanto tendono facilmente a scaldarsi, soprattutto quelli valvolari che a lungo andare potrebbero creare dei problemi.
Finchè si è in studio di registrazione il problema di come collego un pre-amplificatore microfonico outboard non persiste in quanto che non vi sono generalmente situazioni in cui si utilizzano splitter, dovendo utilizzare il mixer audio per registrazione e mixaggio ed in quanto il segnale percorre pochi metri. Per il trasporto di segnale dalla sala di ripresa alla control room è consigliato l’utilizzo di stage box passive. Stage Box -Splitter attivi o digitali possono invece essere utilizzate seguendo indicazioni di cablaggio come vedremo di seguito per il live.
Nel live in cui vi può essere una situazione sala e palco se si utilizzano splitter o stage box passive nessun problema ma se si utilizzano splitter ( stage box ), attivi o digitali allora può presentarsi il problema di come collego e dove un pre-amplificatore microfonico analogico Outboard.
La soluzione migliore in caso di utilizzo di splitter ( stage box ) attivo per inviare il segnale al mixer di sala in postazione F.O.H. ( analogico o digitale ) ed anche al mixer di palco ( analogico o digitale ) è quindi quella di:
1. Portare la linea microfonica separatamente verso il pre-amplificatore microfonico Outboard posizionato in F.O.H. o Control Room, possibilmente utilizzando a parte, uno splitter passivo con trasformatore per la compensazione della perdita di 6 dB ( fig. 18 ), oppure utilizzare splitter ( stage box ) attivi con split con amplificatore a guadagno unitario o fisso o che presentino ingressi insert bilanciati ( caso raro ) ( fig. 19 ).
fig. 18 
fig. 19
Nell’esempio in figura 18 per chi utilizza quel tipo di configurazione e ne ha le possibilità sarebbe utile controllare il ritardo o anticipo di fase delle linea microfonica che arriva su di uno splitter separato, in modo tale se possibile da riportarla in fase con il resto delle linee dello splitter ( stage box ) attivo analogico.
Se si utilizza invece una stage box – splitter digitale ( per cui è buona cosa utilizzare anche mixer digitali ) è necessario che questa presenti ingressi insert analogici bilanciati a cui verrà collegata la linea microfonica, cosi da bypassare il pre-amplificatore presente nella stage-box splitter digitale, sarà necessario anche avere ingressi insert analogici nel mixer digitale ai quali verrà interfacciato il pre-amplificatore microfonico analogico, e tramite routing interno dovrà essere impostato che il segnale in entrata nell’insert analogico della stage box – splitter digitale dovrà uscire dall’insert analogico a cui è collegato il pre-amplificatore e dovrà riprendere il segnale amplificato dallo stesso ingresso insert analogico ( soluzione più qualitativa in quanto che il segnale dalla stage box al mixer di palco e mixer di sala viaggerà in dominio digitale sempre in fase ) ( fig. 20 ).
fig. 20 
In alternativa c’è sempre l’invio separato della linea microfonica, in questo caso la migliore ipotesi è quella di splittare il segnale a livello analogico con uno splitter con trasformatore, di cui una copia la si invia verso il mixer di sala a livello analogico, mentre l’altra copia la si invia alla stage-box splitter digitale o direttamente al mixer di palco digitale o analogico ( soluzione meno qualitativa in quanto il segnale dal palco al mixer di sala viaggia in dominio analogico e ci possono essere problemi di fase per i tempi di arrivo tra il segnale analogico e digitale ), e anche in questo caso il pre-amplificatore microfonico analogico dovrà essere interfacciato con il mixer digitale tramite le connessioni insert analogiche ( fig. 21 ).
fig. 21
Anche in questo caso è necessario ed utile mettere in fase il segnale analogico e quello digitale ( generalmente i mixer digitali moderni permettono di fare questo con configurazioni interne al mixer stesso ).
Le possibilità di realizzare una configurazione come quella in figura 14 che indubbiamente è la più qualitativa sono ancora poco diffuse, la tecnologia in questo senso sta prendendo piede ed evolvendosi adesso.
In ogni caso di utilizzo di un pre-amplificatore analogico al posto di quelli digitali presenti nelle stage box- splitter digitali, questi non avranno la possibilità di essere controllati in remoto, in quanto il loro dominio è analogico.
Da tutto questo si capisce anche l’importanza di preparare mentalmente e magari scriverselo, tutto il percorso che dovrà fare il segnale audio, canale per canale in modo tale ( soprattutto in situazioni live ) da arrivare sul posto con il materiale effettivamente necessario ( senza per cui utilizzare la filosofia prendo su tutto e poi ci guardo sul posto, che non porta a nulla, solo confusione e perdite di tempo ) e non perdere del tempo nella fase di cablaggio.
Pre-amplificatori microfonici digitali
Dei pre-amplificatori digitali abbiamo già parlato nei precedenti articoli in riferimento ai controlli e struttura dei pre-amplificatori analogici come parte comparativa.
Inboard
In generale a livello Inboard ( esempio quelli presenti come ingressi microfonici o di linea in mixer audio digitali ) la pre-amplificazione può essere data da un pre-amplificatore analogico e poi l’utilizzo di un convertitore A/D per la trasformazione del segnale amplificato da analogico a digitale ( ancora oggi i più diffusi ) ( fig. 22 ), oppure direttamente dal convertitore A/D ( il futuro ) ( fig. 23 ).
fig. 22 
fig. 23 
n.b. Il pre-amplificatore digitale viene spesso confuso con il convertitore A/D e/o D/A viste le funzionalità di conversione, ma in realtà esistono convertitori con anche funzioni di pre-amplificazione e quindi presentano ingressi microfonici analogici ( i quali devono essere correttamente chiamati pre-amplificatori digitali ), ma anche convertitori con la solo funzione di convertire il segnale audio analogico in ingresso ( i quali devono essere chiamati convertitori A/D o D/A a seconda della funzionalità ).
Il pre-amplificatore digitale è costruito ed alloggiato direttamente nella scheda madre del mixer audio digitale ( ogni ingresso è un pre-amplificatore digitale ), per cui il più delle volte non può essere sostituito con altri pre-amplificatori digitali inboard, solo in mixer audio più professionali o stage box – splitter digitali possono esserci moduli a gruppi che possono essere cambiati, ma generalmente con pre-amplificatori dello stesso costruttore e che abbiano lo stesso protocollo digitale.
Il convertitore A/D presente all’interno del pre-amplificatore ha il compito di elevare la tensione di livello microfonico ai valori da standard operativo prima di eventuali processazioni e trasferimento del segnale alle uscite digitali o analogiche.
In caso di presenza di uscite analogiche vi sarà anche un convertitore D/A per lo stadio di uscita che porta il livello di tensione digitale a valori da standard analogici di linea ( fig. 24 ).
fig. 24 
Il segnale viene amplificato in digitale, quindi dopo lo stadio di conversione A/D.
Generalmente i mixer audio digitali hanno un misto di uscite digitali ed analogiche.
Alcuni convertitori hanno anche solo la funzionalità di D/A senza pre-amplificatore di ingresso e/o convertitore A/D.
Amplificare a livello digitale garantisce una qualità superiore rispetto a quella analogica, in quanto non si presentano le componenti passive ed i limiti qualitativi di quelli attivi, che portano alterazioni della linearità della risposta in frequenza, ed un aumento del rumore di fondo. Di vantaggio per i sistemi analogici vi è ancora l’elevata dinamica ed il massimo valore di tensione sopportabile prima della distorsione, soprattutto in paragone ai convertitori A/D con basso campionamento e quantizzazione 44.1/48 Khz a 16 o 24 bit.
Ad oggi stanno prendendo piede campionamenti e quantizzazioni ad alta risoluzione che grazie alle nuove tecnologie portano i fattori di dinamica e massimi valori di tensione sopportabili agli stessi e ancor più livelli di quelli analogici ( 96/192 Khz il futuro è poi verso i 384 Khz a 32 o 64 bitFP ).
Se il pre-amplificatore presenta amplificazione analogica allora sarà fondamentale la qualità stessa del amplificatore utilizzato, mentre se la pre-amplificazione avviene direttamente dal convertitore allora sarà fondamentale la qualità del convertitore utilizzato. In ogni caso qualsiasi componente presente all’interno del pre-amplificatore, come anche per il caso analogico dovrà essere costruito e tarato a regola d’arte per offrire le migliori prestazioni possibili. Più di qualità sarà e ovviamente anche più costoso sarà.
Di norma che sia Inboard o Outboard ma non da tutti elencato, i convertitori A/D e D/A vengono divisi in classi in base alla qualità dei componenti utilizzati.
Le classi sono B ( più scadenti ), A ( professionali ), A+ ( migliori ).
n.b. I mixer audio digitali ma anche stage box – splitter digitali e tutti quei componenti che hanno ingressi ed uscite digitali, hanno sempre stesse o più piccole dimensioni che quelli analogici ma con un numero di canali In/Out portabili superiore, in quanto che a livello digitale tutti i componenti di amplificazione e processazione sono realizzati con microchip che hanno la peculiarità di essere molto più piccoli e con molte più prestazioni. Questo permette appunto di poter inserire un numero superiore di componenti ( esempio pre-amplificatori ) in un hardware con stesse dimensioni di quello analogico.
Anche le stesse Stage Box – Splitter digitali ad oggi presentano sempre pre-amplificatori digitali interni per ogni canale di ingresso ( fig. 25 ), limitati dalle funzionalità possibili di controllo offerte dalla Stage Box – Splitter in uso.
fig. 25 
L’ingresso analogico come detto in articoli precedenti è sempre su XLR o Combo se microfonico bilanciato e Jack TRS se su segnale di linea bilanciato o sbilanciato. A volte si può trovare anche il segnale di linea su connessione XLR bilanciata.
Le uscite come detto dipendono dalle capacità dell’hardware su cui i o il pre-amplificatore digitale è alloggiato, in generale sono previste sia connessioni di uscita analogiche con quindi la presenza di convertitori A/D per ogni uscita, che connessioni di uscita digitale.
In riferimento al livello di tensione standard utilizzato nei protocolli digitali per gestire il livello di segnale digitale in ingresso ed uscita dai dispositivi audio digitali tra i quali anche pre-amplificatori digitali, ognuno ha il suo valore di tensione di riferimento ( vedremo più in dettaglio in argomentazioni successive le tipologie di standard digitale ), generalmente a livello Inboard ( mixer digitali, stage box – splitter digitali ed alcuni convertitori di protocollo digitali ) i protocolli più utilizzati come visto anche in argomentazione Stage Box digitali II – III sono MADI ( fig. 26 ) ( fig. 27 ), DANTE ( fig. 28 ), AES50 ( fig. 29 ) con valori di tensione superiore ai 10 v, ADAT ( ottico ) ( fig. 30 ).
Madi ( utilizza per lo più una connessione BNC fig. 26, ma lo si può trovare anche su cavo Ethercon fig. 27 )
fig. 26
fig. 27 
DANTE ( utilizza per lo più una connessione di rete su Ethercon cat 5 – 6 )
fig. 28 
AES50 ( utilizza per lo più una connessione di rete su Ethercon cat 5 – 6 )
fig. 29 
ADAT ( utilizza connessione Toslink )
fig. 30 
In alcuni casi e per lunghe tratte è possibile prelevare od interfacciare una conversione del segnale in fibra ottica ( fig. 31 ).
fig. 31 
n.b. In caso di invio di un segnale audio digitale all’interno di un convertitore A/D che funge anche da pre-amplificatore digitale, questo amplificherà il segnale in entrata, mentre nel caso di pre-amplificatori analogici, il segnale digitale verrà amplificato a parte dal convertitore A/D.
Outboard
A livello Outboard invece i più utilizzati in pre-amplificatori digitali, convertitori A/D – D/A e pure come Inboard in alcuni mixer audio digitali sono S/Pdif ( 0,5 v – 1 v ) ( utilizzato a livello consumer ) ( fig. 32 ) ( fig. 33 ), AES3 ( 5 v – 10 v ) ( utilizzato a livello professionale ) ( fig. 34 ) ( fig. 35 ), ADAT ( ottico ) ( utilizzato a livello professionale ) ( fig. 30 ), a volte anche MADI ( fig. 26 ).
S/Pdif ( utilizza per lo più connessione RCA, ma lo si può trovare anche su Mini Jack o Toslink ) ( quello su rca o minijack può essere chiamato Spdif ma anche Coaxial vista la peculiarità di poter inviare 2 canali L-R sullo stesso conduttore, quello ottico può essere chiamato anche Optical ).
fig. 32
fig. 33 
AES3 ( utilizza per lo più connessione XLR o D-Sub )
fig. 34
fig. 35 ![]()
Il pre-amplificatore digitale su Outbard ha gli stessi principi di funzionamento degli Inboard ma solo presentato su rack esterno.
Come anche per i pre-amplificatori analogici l’outboard può offrire configurazioni differenti sul processamento del segnale audio e può essere monocale o multicanale ( fig. 36 ).
fig. 36

In figura 37 una rappresentazione grafica di un possibile collegamento di pre-amplificatore digitale Outboard.
fig. 37 
Nell’esempio in figura 37 il segnale microfonico a livello analogico entra nell’ingresso del pre-amplificatore digitale il quale viene convertito in digitale da un convertitore A/D e poi a livello digitale secondo lo standard seguito viene inviato all’ingresso digitale di un mixer audio digitale ( sarà per cui necessario prima di acquistare un pre-amplificatore digitale sapere quali standard di uscita utilizza, possono essere anche più di uno, cosi da poterlo interfacciare con il proprio mixer digitale che deve avere almeno un interfaccia audio che possa prelevare il segnale digitale in quello standard di riferimento ( come visto in argomento Stage Box II – III ), in alternativa se il pre-amplificatore od il mixer lo consente è possibile acquistare interfacce audio digitali a parte ). L’uscita dal mixer audio verso il finale di potenza o diffusore audio attivo potrà poi essere a livello di linea se analogica o in dominio digitale secondo lo standard di riferimento per entrare direttamente in digitale nel finale di potenza o amplificatore del diffusore audio attivo se lo consente, oppure convertire il segnale digitale in analogico di linea tramite convertitore D/A prima dell’invio all’ingresso analogico del finale di potenza o amplificatore del diffusore audio attivo.
I pre-amplificatori microfonici digitali Outboard come quelli Inboard viste le peculiarità di poter essere creati con microchip che occupano poco spazio, hanno il vantaggio rispetto a quelli analogici di poter offrire un numero di canali portabili superiore ( fig. 38 ).
Fig. 38

Quando il numero di connessioni portabili a livello digitale è molto elevato, esempio anche fino a 32 – 64 canali, gli ingressi ed uscite analogiche sono realizzate per lo più su connettore D-Sub ( fig. 38 ). Mentre in digitale verrà utilizzata una connessione con protocollo in grado di portare quel numero di canali in input ed eventualmente anche in output, distribuito su una o più connessioni.
Pre-amplificatori digitali su Outboard esterno visti gli innumerevoli protocolli in circolazione, offrono per questioni di compatibilità, uno o più standard digitali di input ed output misto a connessioni di input ed output analogiche ( fig. 39 ).
fig. 39
In figura 39 un esempio di un pre-amplificatore che processa il segnale a livello digitale ed offre in uscita sia linea analogica che ottica.
n.b. Qualsiasi Outboard va alimentato tramite tensione elettrica.
Negative Feedback
I migliori pre-amplificatori attivi e digitali in quanto che la circuiteria è simile, NON utilizzano circuiterie di Negative Feedback (fig. 40) invece sempre usati negli equalizzatori attivi di più basso livello.
Fig. 40

Questa circuiteria viene creata per ridurre le oscillazione sulla risposta in frequenza che si genera sia durante la fase di amplificazione che per via della corrente che circola nell’amplificatore che può risultare non sempre stabile, riducendone drasticamente anche la dinamica in uscita. In pratica il circuito tende ad oscillare e a risuonare, da qui Feedback, e per questo è stato appositamente creato una circuiteria di Anti Feedback adatta a limitare queste oscillazioni e migliorare la stabilità della corrente e linearità della risposta in frequenza. Da un vantaggio che ne deriva c’è anche uno svantaggio e cioè quello di avere un limite risolutivo, in quanto che è comunque un circuito in più introdotto nello stadio di amplificazione che aggiunge sue intrinseche distorsioni e colorazioni del segnale, introducendo anche un piccolo ritardo di fase in quanto che viene applicato un leggero ritardo al segnale in modo tale da poterlo analizzare e processare in Anti Feedback, ed in più non essendo un componente ideale non riesce comunque ad ottimizzare al 100% i problemi di oscillazione, dipendendo molto dal guadagno, quindi spesso è tarato per essere il più efficente possibile ma in un piccolo range di guadagno, oltre che incidere sulla risoluzione di guadagno stessa.
I pre-amplificatori che lavorano senza Negative Feedback sono molto più veloci e rettivi, ma come detto tendono ad oscillare e risuonare. Il passo evolutivo senza l’uso di Negative Feedback è quello di eliminare la parte di componenti risonanti, che sono per lo più i Condensatori, eliminando questi con apposite circuiterie a Transistor si riesce ad eliminare anche l’inserimento di circuiteria Negative Feedback ed ottenere il massimo risultato possibile. Generalmente questi processori sono anche detti Fully Discrete, cioè con sola circuiteria attiva, niente condensatori.
Preamplificatori Microfonici da me consigliati:
Acquista Pre-Amplificatori Audio dai principali Store
Pre-Amplificatori
Plugin e Software
Interfacce Audio
Pre-Amplificatori Audio – V
Utilizzare un pre-amplificatore che processa a livello digitale offre un’amplificazione di qualità superiore rispetto a quelli analogici, soprattutto per il fatto di poter amplificare la tensione fino ai livelli nominali ( + 18 dBFS o +24 dBFS ), rispetto ai + 4 dBu utilizzati a livello analogico. Le perdite maggiori di qualità ( risposta in frequenza, dinamica, THD % ) sono nei convertitori A/D e D/A, soprattutto D/A, ma allo stato attuale sono realizzate circuiterie che hanno risolto con il tempo anche questo tipo di problemi. Per cui se possibile in termini qualitativi utilizzare sempre un pre-amplificatore digitale anche solo per processare in digitale un segnale analogico per poi riprendere la conversione in analogico, mentre per armonizzare il suono, creare sonorità analogiche e vintage utilizzare pre-amplificatori analogici.
Se il pre-amplificatore digitale amplifica a livello analogico o digitale lo si può vedere, a volte, anche dal meter che presenta, se è un peak meter ( analogico ) se è un digital meter ( digitale ).
L’utilizzo di un pre-amplificatore microfonico digitale con connessioni di uscita analogiche può essere sempre utile caso mai lo si debba interfacciare con attrezzature analogiche ( es. mixer audio analogico ), ( ricordarsi di entrare sempre nell’ingresso insert del mixer audio analogico cosi da bypassare il pre-amplificatore inboard presente ) ( fig. 1 ).
fig. 1 
Nel caso in cui il pre-amplificatore digitale non abbia un uscita analogica è possibile utilizzare un convertitore D/A ( fig. 2 ) che porti la linea amplificata in dominio digitale a valori di linea analogica ( fig. 3 ).
fig. 2 
fig. 3 
Oppure se la configurazione lo prevede può essere anche utile da utilizzare come split di segnale da inviare a due mixer diversi direttamente dal processore del pre-amplificatore microfonico digitale senza passare per quello del mixer audio digitale , un esempio può essere quello di dover inviare il segnale sia al mixer di sala digitale che ha quello per la registrazione analogico ( fig. 4 ).
fig. 4
A livello digitale sarebbe possibile sommare diversi pre-amplificatori microfonici digitali ( solo quelli che amplificano il segnale in dominio digitale e quindi non hanno pre-amplificatore microfonico analogico ), senza l’introduzione di rumori e dei problemi visti nel caso di somma dei pre-amplificatori analogici, ma non lo si usa fare in quanto che il pre-amplificatore digitale già di suo riesce ad amplificare fino ai suoi massimi valori senza avere problemi di alterazione della risposta e dinamica al variare del livello di amplificazione, in questo caso e soprattutto se di qualità, questi parametri rimangono invariati e trasparenti.
Sconsigliato per i soliti motivi sommare pre-amplificatori analogici e digitali.
n.b. Qualsiasi componente sia alimentato da tensione elettrica, questo necessità del più pulito e stabile livello di tensione, livelli di tensione non stabili portano al mal funzionamento del componente ed in certi casi rottura. Accertarsi per cui di avere un ottima linea elettrica, eventualmente introducendo lungo la linea prese elettriche filtrate ( fig. 5 ) e/o UPS ( fig. 6 ) e/o Stabilizzatori di corrente ( fig. 7 ), ( strumenti che provvedono a stabilizzare e ri-pulire tale tensione ) possibilmente con controllo almeno dei valori di tensione per accertarsi che la linea elettrica sia adeguata e stabile.
fig. 5 
fig. 6 
fig. 7 
Alcuni pre-amplificatori microfonici analogici, processano tutto il segnale in analogico ma offrono anche un uscita in digitale ( fig. 8 ).
fig. 8
Quello in figura 3 ha uscite tipo AES3 e S/Pdif ma se ne possono trovare anche con interfacce di altri protocolli, in caso poi si voglia convertire il protocollo per adattarlo ad uno utile per l’interfacciamento di altri dispositivi con diverso protocollo, sarà allora necessario acquistare un interfaccia di conversione del protocollo digitale.
Quasi tutti i pre-amplificatori analogici che presentano uscite digitali ( fig. 8 ) e pre-amplificatori digitali ma anche qualsiasi componente audio digitale ( mixer audio, registratore, ecc.. ) può presentare ingressi ed uscite Word Clock ( WC ) ( fig. 9 ) ( altri con ingresso AES11 su XLR, più che altro utilizzato nel broadcast per la sincronizzazione tra audio e video, essendo un protocollo che determina il clock diviso per frame ), per definire il clock di campionamento di uno o più dispositivi audio digitali collegati tra di loro, come spiegato anche nell’articolo Splitter e Sommatori IV.
n.b. Di qualsiasi pre-amplificatore digitale si parli questo considera un segnale audio digitale PCM ( che vedremo meglio quando parleremo di audio digitale ). Prossime generazioni di pre-amplificatori audio digitali prevedranno anche o solo il segnale audio DSD ( che vedremo sempre quando parleremo di audio digitale ).
fig. 9 
DSP vs FPGA
Come vedremo meglio ed in dettaglio quando parleremo di Audio Digitale, il cuore del processamento digitale può essere DSP o FPGA, sono due tipologie di processori differenti, di cui il primo garantisce di sfruttare un potenziale maggiore (almeno ad oggi che scrivo, ma in futuro verrà surclassato dal più performanre FPGA), mentre il secondo offre prestazioni maggiori, soprattutto velocità, quindi bassa latenza e precisione di calcolo.
Questo perchè il sistema più datato DSP lavora in serie, quindi esegue un processo dietro dall’ingresso all’uscita, quindi più lavoro ed opzioni gli chiediamo di fare e tanto maggiore sarà la latenza nello stadio di uscita ma anche una minore precisione di calcolo, nonostante possa ad esempio eseguire molti più calcoli rispetto all’ FPGA, l’ FPGA lavora invece in parallelo, quindi riesce ad eseguire calcoli precisi ed in modo simultaneo, garantendo una minima latenza di uscita.
Utilizzare hardware digitale con processamento FPGA è sicuramente la soluzione migliore.
Dove posiziono il pre-amplificatore Outboard Digitale ?
La posizione ed i problemi riscontrabili sono gli stessi visti per i pre-amplificatori microfonici analogici ( Pre-amplificatori Audio IV ).
Per cui se volessi utilizzare un pre-amplificatore digitale su Outboard al posto di quelli presenti in stage box – splitter digitali e/o mixer audio digitali, in caso di situazione live con mixer audio digitale di sala e di palco ( fig. 10 ).
fig. 10
La migliore soluzione se la propria attrezzatura lo permette è quella in figura 10, per cui entrare con la linea microfonica nell’ingresso insert analogico della stage box – splitter digitale, collegare il pre-amplificatore microfonico digitale con interfaccia I/O digitale presente nel mixer audio digitale, gli standard possono essere differenti. Impostare il routing del canale del mixer audio digitale a cui si desidera inviare il segnale audio con utilizzo di pre-amplificatore microfonico digitale su Outboard, dicendogli di inviare il segnale in ingresso nell’insert della stage box a cui abbiamo collegato la nostra linea microfonica al pre-amplificatore microfonico digitale, ed impostando l’ingresso del canale desiderato per il prelievo del segnale digitale in uscita dal pre-amplificatore microfonico digitale.
In caso la stage box – splitter digitale non presenti ingressi insert allora è necessario inviare una linea separata ( soluzione meno qualitativa ) ( fig. 11 ).
fig. 11
Nel caso in figura 11 potrebbe facilmente esserci anche un problema di fase per i diversi tempi di arrivo tra il segnale della stage box – splitter digitale e quello del pre-amplificatore microfonico digitale.
n.b. Allo stato attuale non è possibile mettere in ponte digitale stage box – splitter digitali con pre-amplificatori digitali su Ouboard esterni anche se di stesso protocollo ( anche se il protocollo stesso nel caso di standard come quello Dante e qualsiasi protocollo che viaggia su network di rete prevede questa possibilità di interfacciamento attraverso appositi router, per sviluppi futuri saranno probabilmente i primi a consentire questo ), in quanto che il protocollo di informazioni per permettere la lettura ed interfacciamento tra mixer audio digitali e stage box – splitter digitali contiene anche informazioni di routing per il posizionamento dei canali ( 1 della stage box sarà 1 del mixer audio, 32 della stage box 32 del mixer audio e cosi via ), la maggior parte dei pre-amplificatori microfonici digitali non è in grado di leggere e trasferire questo tipo di informazioni.
n.b. In più allo stato attuale non si può avere ancora il controllo remoto di un pre-amplificatore digitale Outboard direttamente dal mixer audio digitale come avviene collegando le stage box – splitter digitali, a meno di non avere delle stage box – splitter digitali che permettono la sostituzione di parti di pre-amplificazione come precedentemente visto, ma comunque limitati sempre nella scelta del pre-amplificatore digitale che in più può essere solo inboard e compatibile con la stage box – splitter digitale di riferimento.
In alcuni casi questo può essere ovviato se si utilizza un pre-amplificatore che permette il controllo remoto a livello proprietario, esempio permette l’interfacciamento con un PC nel quale può essere utilizzato il software ( generalmente sempre proprietario ) che presenta tutti i controlli gestibili del pre-amplificatore digitale controllabili appunto in remoto. In questo caso allora il pre-amplificatore digitale può anche essere lasciato vicino alle stage box – splitter presenti sul palco e il pc con il software per il controllo remoto in regia F.O.H.. Generalmente questo tipo pre-amplificatore presenta connessioni a livello di rete ( cat 5 – 6 ), in quanto che per l’interfacciamento digitale, Usb e Firewire non consentono tratte superiori a 6 – 7 metri ( fig. 12 ).
fig. 12 
Un’altra soluzione potrebbe essere quella di interfacciare la connessione remota del pre-amplificatore digitale con un dispositivo che trasformi USB o Firewire in Wi-Fi ( fig. 13 ), cosi da non dover stendere alcun cavo di cablaggio e interfacciando il PC appunto in Wireless.
fig. 13
In caso di utilizzo di stage box analogiche il principio è lo stesso visto per i pre-amplificatori Outboard analogici, solo che invece di avere un pre-amplificatore analogico abbia un pre-amplificatore digitale al cui ingresso analogico arriverà il segnale microfonico.
Nel caso che i mixer siano analogici ed i pre-amplificatori digitali allora optare per l’introduzione dei convertitore D/A come visto negli esempi precedenti.
In caso si voglia invece utilizzare un pre-amplificatore analogico da collegare ad un dispositivo digitale ( es. mixer audio digitale ), allora sarà necessario utilizzare un convertitore A/D ( fig. 14 ) ( fig. 15 ).
fig. 14 
fig. 15 
E’ di fondamentale importanza che la connessione e protocollo digitale in uscita dal convertitore A/D sia lo stesso presente nell’ingresso del mixer audio digitale.
Altro
Anche una scheda audio per PC può avere pre-amplificatori microfonici analogici o digitali all’ingresso ( fig. 16 ) per poter collegare segnali microfonici e di linea da inviare ad esempio all’interno di registratori multitraccia su software DAW.
fig. 16 
Queste schede audio possono avere anche funzionalità di processazione come regolazioni del guadagno e qualche eventuale parametro di filtraggio, phantom power, pad, mentre processamenti di dinamica ed equalizzazione e a volte anche di guadagno e controlli fader se presenti sono per lo più controllabili a livello software dal PC ( fig. 17 ) ( fig. 18 ) in uso a cui la scheda audio è collegata.
fig. 17
fig. 18 
Una scheda audio generalmente è interfacciata con il PC tramite connessione USB ( consumer ) ( fig. 19 ) o Firewire ( professionale ) ( fig. 20 ).
fig. 19 
fig. 20 
Anche le schede audio possono essere monocanale o multicanale, e presentare un misto di connessioni di ingresso ed uscita analogiche / digitali con vari parametri di controllo definiti dal costruttore ( fig. 21 ).
fig. 21
Anche gli ingressi presenti nei PC, Notebokk, Tablet, Smartphone possono presentare pre-amplificatori microfonici analogici o digitali ed ingressi ed uscite analogici e/o digitali ( fig. 22 ).
fig. 22 
Altro
Esistono alcune interfaccie per pre-amplificatori analogici in grado oltre che avere ingressi pre-amplificatori, di ottenere un controllo remoto a distanza ( tramite connessioni midi o rs232 o LAN TCP/IP, per pre-amplificatori compatibili quindi con questa tipologia di ingresso per il controllo remoto ) ed offrire all’uscita un protocollo in dominio digitale ( es. MADI o DANTE i più diffusi ) per il trasporto verso altre fonti, ( fig. 23 ).
Fig. 23 
Altri come questo di figura 24 permettono di inserire un PAD di attenuazione e decidere a Step il livello di attenuazione, in questo caso tra 0 dB e – 19 dB, se posiziono il selettore in L1 o L2 è possibile indirizzare il segnale verso una scelta di 2 pre-amplificatori.
Fig. 24

n.b. Questo pre-amplificatore Inboard è modulabile nel senso che presenta la possibilità di interfacciare due diversi tipi di pre-amplificatore (fig. 25), o due uguali o altri moduli compatibili, i quale poi Channel Strip va inserito in appositi rack compatibili (fig. 26), che ne distribuiscono corrente e ne gestiscono un corretto posizionamento a Rack.
Fig. 25

Pre-amplificatori Audio su Software
Qualsiasi software di controllo remoto di pre-amplificatori microfonici inboard, outboard ( fig. 27 ), può essere considerato un pre-amplificatore a livello software, compreso il controllo del segnale di input di DAW ( fig. 28 ), plugin audio ( fig. 29 ).
fig. 27 
In figura 27 è evidenziato il controllo remoto tramite software del pre-amplificatore digitale di un mixer audio digitale.
fig. 28
In figura 29 è evidenziato il controllo del segnale di pre-amplificazione a livello software in una digital audio workstation, generalmente questi controlli si presentano sempre su fader digitali, cosi da consentire una scala di livelli più precisa.
Fig. 30 
In figura 30 è evidenziato il pre-amplificatore su software che gestisce il livello del segnale di ingresso al plugin, sempre su fader.
Soprattutto a livello di plugin audio si possono trovare anche emulazioni di pre-amplificatori o channel strip di hardware analogici ( fig. 31 ) ( fig. 32 ) ( fig. 33 ).
fig. 31 
fig. 32 
fig. 33 
Attenzione all’Impedenza
Come vedremo anche in altre argomentazioni, in campo analogico il valore dell’impedenza è di fondamentale importanza per interfacciare diversi dispositivi audio, in modo tale che sia mantenuto un corretto trasferimento di carico, indice di simmetria e quindi bassi valori di distorsione e rumore di fondo. Un cattivo rapporto di impedenza può far aumentare il rumore del segnale audio.
Questo valore dipende anche dal tipo di connessione di input o output, ingressi od uscite bilanciate hanno valori di impedenza differenti da ingressi od uscite sbilanciate.
Come linea da tenere si ha che un segnale sbilanciato offre la metà dell’impedenza di un segnale bilanciato.
Se abbiamo quindi un ingresso microfonico a 10 Kohm di impedenza ed è correttamente dimensionato rispetto all’impedenza di uscita del nostro microfono per avere un ottimo rapporto di impedenza ( es. 1:10 ), ma il cavo bilanciato su XLR che permette la connessione tra i due dispositivi si è sbilanciato perdendo ad esempio la connessione sul pin 2, avremo che l’impedenza di ingresso non è più a 10 KOhm ma a 5 KOhm, in quanto che il circuito chiude all’ingresso in modo sbilanciato utilizzando solo la metà del trasformatore a presa centrale o bilanciamento attivo ( quindi metà dell’impedenza ).
Cosi facendo il rapporto di impedenza si dimezza e potrebbero insorgere rumori per un aumento delle correnti spurie ed indotte per ritorno lungo la linea.
Lo stesso vale anche per gli altri tipi di ingresso, come quello di linea, in cui generalmente si ha per un ingresso bilanciato TRS a 40 KOhm di resistenza ( una per il Tip ed una per lo Sleeve ), se entro sbilanciato TS avrò 20 KOhm di resistenza, in quanto solo una delle due linee è utilizzata.
Fare per cui attenzione a tutti questi fattori quando si collegano linee microfoniche e segnali a livello di linea.
Per le uscite invece il possibile problema non sorge in quanto che l’impedenza è già data dal processo di bilanciamento del segnale sbilanciato o viceversa, per cui avremo sempre ad esempio se l’uscita è a livello di linea, un’impedenza di 75 o 50 Ohm sia nel prelievo di una connessione bilanciata che sbilanciata.
C’è da considerare anche, come visto lungo questa trattazione che la Phantom Power quando inserita porta ad un calo dell’impedenza di ingresso microfonico, questo perchè è un circuito connesso in parallelo, e per questo utilizzare sempre microfoni che ne richiedono a più bassa impedenza di uscita possibile, come avviene in media per quelli a condensatore che vedremo in argomento Microfoni.
In campo digitale come vedremo quando parleremo di audio digitale le impedenze dei dispositivi di ingresso ed uscita devono essere identiche e avere una minima tolleranza di oscillazione su questi valori, altrimenti si creano disturbi sul segnale fino alla sua interruzione.
Specifiche Tecniche
Vediamo ora quali sono le caratteristiche che devono avere i Pre-amplificatori audio di qualità.
Analogici
Input Impedance: Come detto nei precedenti articoli il valore dell’impedenza di ingresso deve essere almeno da minimo 6 – 10 volte il valore dell’impedenza di uscita del microfono o dispositivo a cui vuole essere collegato il pre-amplificatore microfonico.
Max Level Input: Un buon pre-amplificatore analogico deve poter consentire all’ingresso un valore di segnale massimo > + 20 dB ( > 28 dB i migliori ), prima di generare distorsioni, generalmente dell’ordine dell’ 1%, ma spesso calcolata anche su valori più bassi come lo 0,01%. Valore che garantisce una maggiore pulizia tanto più basso è il segnale di ingresso ed un maggiore headroom verso il segnale di linea che puòò avere sbalzi di tensione ben oltre al valore nominale 0 dBu o + 4 dBu.
Max Leve Output: Più il livello massimo di uscita è alto e meno distorsioni ci saranno per livelli di uscia a più basso livello come lo 0 dB ( considerato il limite RMS massimo per interfacciamento con gli ingressi dei finali di potenza per ottenere la massima potenza di uscita ). I migliori consentono un livello massimo di uscuta > + 20 dB ( considerando un valore di distorsione massimo dello 0,01% ), se ne trovano comunque anche ad esempio a > + 28 dB ( considerando una distorsione massima di 0,05% ). E’ generalmente calcolato ad 1 Khz.
Il più alto valore che ho trovato a > + 32 dB ( considerando una banda di frequenze 20 hz – 40 Khz, ma dipende poi anche dal carico di uscita ed il carico di ingresso considerato, ed inoltre misurato su di un più ampio range di frequenze si ottengono valori più alti in quanto che l’energia è distribuita su di un più ampio range di frequenze, da valutare anche il calcolo se mediato generico di tutte le frequenze, o preso frequenza per frequenza e scelta la prima che ha generato un livello di distorsione non più accettabili come lo 0,01% o lo 0,05% ).
Gain Range o Drive Control Range: Identifica il valore di guadagno massimo dato dall’amplificatore prima di generare distorsioni udibili ( generalmente 1% ) od oltre un livello massimo determinato dal produttore stesso.
Un valore ottimale è: > + 40 dB ( 60 – 80 dB i migliori e senza PAD inserito, in quanto che molti danno la specifica ma considera anche i – 20 dB del PAD), per il segnale microfonico e > + 15 dB per il segnale di linea.
Dynamic Range: Tanto più alta sarà la dinamica del pre-amplificatore e tanto più basso sarà quindi anche il rumore di fondo e la capacità di amplificare senza introdurre distorsioni rilevanti.
Un buon pre-amplificatore analogico deve consentire una dinamica > 120 dB.
EIN ( Equivalent Input Noise): Identifica il rumore di fondo del pre-amplificatore al passaggio di un segnale di rumore bianco ( 0 dB a 20 hz – 20 Khz ) al suo ingresso e con guadagno di amplificazione generalmente al massimo possibile. Questo valore è calcolato con un rumore bianco pesato A, cioè a cui è applicata un’equalizzazione tale da emulare la risposta dell’orecchio a 60 dB di pressione sonora, tale da definire il livello di rumore percepito dall’uomo. Il suo calcolo è determinato senza alcun segnale applicato ( rumore intrinseco ).
n.b. Il suo livello dipende anche dalla differenza di impedenza tra il circuito di uscita ( in cui viene generato il segnale ) ed il circuito di ingresso del pre-amplificatore stesso, e per questo è buona norma mantenere i rapporti di impedenza visti precedentemente.
Un valore ottimale è: < – 115 dBu ( < – 130 dB i migliori ).
Quando questo valore è misurato senza resistenza applicata risulterà ancora più basso, ma nella realtà dipende dal carico applicato ( rapporto di impedenza tra output ed input ).
Frequency Responce: Tanto più lineare sarà la risposta in frequenza e tanto più trasparente sarà il pre-amplificatore, questa scelta dipende fortemente dal tipo di suono che si vuole ottenere. Se si cerca un pre-amplificatore trasparente una buona risposta in frequenza è: +/- 3 dB da 10 Hz a 75 Khz ( oltre i 200 Khz i migliori, soprattutto quelli costruiti per utilizzo con microfoni di misura ).
Questa risposta è spesso calcolata con rumore bianco a 0 dB e/o a – 1 dB poi normalizzata ( dipende dal livello di distorsione del generatore di rumore applicato, da norma deve essere il più lineare e meno distorsivo possibile a 0 dB ).
CMRR ( Common-mode Rejection Ratio a volte nominato solo CMR ): Identifica i valori di tensione e corrente espressi in decibel retroazionati lungo la linea di input, fenomeno rilevante quando la differenza di potenziale è diversa da 0, un valore basso garantisce minor perdita di tensione, un maggiore controllo del segnale da amplificare ed una più lineare risposta in frequenza e dinamica.
Un valore ottimale è: > 65 o > 70 dB.
n.b. Dipende molto dal guadagno di riferimento a cui è stato eseguito il test, generalmente a + 20 dB e + 40 dB.
Phase Shift
Il problema di fase è un fattore non sempre menzionato in quanto più di altri dipende da diversi fattori, come la stabilità della corrente di alimentazione, della simmetria e rapporto di impedenza tra circuito di ingresso del pre-amplificatore e quello di uscita di un dispositivo a cui è connesso, dalle interferenze esterne, fenomeni indutti e capacitivi. E’ importante che l’amplificatore e soprattutto in fase di amplificazione generi un errore/sfasamento di fase minore possibile, prossimo ai 0°. Vedremo più avanti come diverse tecnologie possano permettere di ottenere un errore di fase dello 0%.
I migliori < 10° da 20 hz a 20 Khz ( se ne trovano alcuni attorno ai 2° dai 50 hz ai 20 Khz ).
THD%: Identifica il valore percentuale delle distorsioni armoniche generate dal pre-amplificatore al passaggio di un segnale generalmente di test ( rumore bianco da 20 Hz a 20 Khz ) con un valore di guadagno generalmente al massimo possibile. Questo valore è calcolato con un rumore bianco pesato A, cioè a cui è applicata un’equalizzazione tale da emulare la risposta dell’orecchio a 60 dB di pressione sonora, tale da definire il livello di distorsione percepito dall’uomo. Spesso è calcolato ad un determinato livello di amplificazione, esempio a + 20 dB di guadagno in ingresso, ma lo si può trovare anche a + 35 dB od altri valori, e anche con un determinato livello di guadagno all’uscita.
n.b. Generalmente viene misurato all’uscita insieme al rumore di fondo complessivo della linea di ingresso.
Un valore ottimale è: da 0,1 % a 0,5 % ( il migliore trovato 0,001% a +35 dB di guadagno all’ingresso ).
In alcuni casi è misurato anche a 0 dB di guadagno in ingresso a singola frequenza ( 1 Khz ), in questo caso i valori ottimali sono : < 0,010 %
Crosstalk: Valore presente quando si hanno più pre-amplificatori in un unico modulo e sta ad indicare il livello di copia, cioè la generazione di calore e fenomeni indotti dai pre-amplificatori che tendono a trasferisti su quelli vicini creando fenomeni di diafonia.
Valori ottimali sono: > 90 dB as 1 Khz tra due canali vicini.
Impedenza di Uscita: Il segnale in uscita da pre-amplificatore microfono può raggiungere al massimo valori di linea, per questo è bene che la sua impedenza sia la più bassa possibile per un corretto interfacciamento con gli ingressi di linea o insert presenti ad esempio nei mixer audio. I migliori pre-amplificatori hanno impedenze di uscita attorno ai 40 Ω – 50 Ω. Ne ho trovati anche a 24 Ω.
Slew Rate
Lo Slew Rate è un parametro che indica quanto livello di amplificazione riesce a dare il dispositivo in un arco di tempo di riferimento ( in questo caso microsecondi ), tanto più alto è questo valore e tanto più l’amplificatore sarà reattivo nella fase di amplicazione, introducendo meno distorsione, problemi di fase e potendo raggiungere livelli di amplificazione più elevati.
I migliori hanno valori che si aggirano attorno > 20 V per microsecondi.
Digitali
Per i pre-amplificatori digitali o analogici ma che presentano anche circuiteria digitale valgono le stesse specifiche di quelli analogici con l’aggiunta di ulteriori parametri che identificano la qualità dei componenti digitali.
Si parla sempre di conversione A/D e D/A in quanto che nel percorso del segnale digitale D/D ( come vedremo meglio quando parleremo di audio digitale ) i parametri del segnale audio sono sempre matenuti al livello dato dalla conversione A/D ( parametri del convertitore che amplifica a livello digitale o semplicemente converte dopo l’amplificazione ), esisteranno invece altre problematiche.
L’amplificazione a livello software si presenta come un algoritmo che ricrea l’onda al livello definito, precisione, bassa latenza, e meno errori di calcolo fanno la differenza tra un pre-amplificatore su software ( plugin ) ed un’altro.
Per la risposta in frequenza, il calcolo dovrebbe essere eseguito ai diversi valori di campionamento, in quanto può facilmente variare.
Valori ottimali sono il mantenimento di una risposta in frequenza di 0,1 dB da 20 Hz alla massima frequenza prima del filtro anti-alias ( Fs/2, 24 Khz per un campionamento a 48 Khz, 48 Khz per un campionamento a 96 Khz, sono valori variabili in base alla posizione e taglio del filtro anti-alias dato in fase costruttiva, che sia software o hardware ).
n.b. Per questo sono pre-amplificatori molto limitati nell’utilizzo con interfacciamento con microfoni di misura ( i 48 Khz limitati a 22 Khz, mentre i 96 Khz limitati a 48 Khz ), in quanto spesso si richiedono analisi anche oltre la banda audio udibile, scegliere per cui in questo caso pre-amplificatori con alto campionamento in base al range di frequenze da analizzare.
Campionamento: Un valore di campionamento più alto garantisce un’accuratezza maggiore nella trasformazione del segnale analogico in digitale ( A/D ) e digitale in analogico ( D/A ). Se si preleva un’uscita digitale sarà necessario che il dispositivo di ingresso possa lavorare alla stessa frequenza di campionamento per poter funzionare.
I migliori pre-amplificatori digitali lavorano a frequenze di campionamento di: 88.2 Khz – 96 Khz – 176.4 Khz – 192 Khz – 256 Khz – 384 Khz.
Quantizzazione: Tanto più alto sarà il valore di quantizzazione e tanto più rispecchiata sarà la dinamica del segnale nella conversione A/D e D/A.
I migliori pre-amplificatori digitali lavorano a quantizzazioni di 32 – 64 bit floating point.
Max Level Input: I migliori pre-amplificatori digitali hanno un massimo livello di segnale di ingresso > + 25 db, un > + 15 dB è ritenuto comunque un buon pre-amplificatore digitale.
Max Level Output: I migliori pre-amplificatori digitali hanno un massimo livello di segnale in uscita > + 24 dB ( generalmente calcolato ad 1 Khz ).
Gain Range o Drive Control Range: I migliori pre-amplificatori digitali hanno una capacità di guadagno > + 70 dB, comunque già un valore di + 60 dB è considerato ottimo.
Dynamic Range: Tanto più alta sarà la dinamica del segnale di ingresso dopo la conversione A/D e nello stadio di uscita dopo la conversione D/A e tanto più qualitativo sarà il segnale audio.
I migliori pre-amplificatori digitali hanno una dinamica A/D – D/A > 115 – > 120 dBA.
n.b.1 C’è da fare una differenza tra dinamica del convertitore A/D e D/A e quella del processo di conversione di un pre-amplificatore digitale, in quanto che la dinamica del convertitore è quella fornita dal chip/integrato ( ed è la sua massima dinamica possibile calcolata ), mentre quella a noi di interesse è la dinamica complessiva di conversione che è quella compresa di connettore XLR ( circuito di sbilanciamento del segnale, attivo o passivo, e/o Jack TS / TRS ) applicati ed eventuale altra circuiteria impiegata e cablata al convertitore stesso, compreso eventualmente la presenza di un pre-amplificatore analogico. Questo dato è spesso accompagnato appunto dalle caratteristiche tecniche del convertitore A/D – D/A utilizzato. La dinamica reale come si può intuire è sempre più bassa, spesso anche oltre i 10 dB, ed è questa la reale dinamica che incontrerà nel percorso di conversione che sia A/D od in senso opposto D/A il segnale audio.
Di seguito un estratto di un data sheet in cui è presente l’informativa sia sulla dinamica del convertitore audio utilizzato ( non chè la sua risoluzione ) ( fig. 30 ), che sulla dinamica del processo di pre-amplificazione/conversione ( bilanciato – sbilanciato ) sia per lo stadio A/D che D/A ( fig. 31 ).
fig. 30
fig. 31 
A volte come si vede dalla figura 30 viene anche indicato la dinamica complessiva del circuito, quindi nel passaggio del segnale tra l’input A/D e l’output D/A per avere una chiara comprensione delle capacità del dispositivo che si sta utilizzando.
Come si vede dalla figura 30 il processo di conversione è spesso anche inferiore di oltre 10 dB rispetto alle capacità stesse del convertitore.
Se il pre-amplificatore presenta anche circuiti di equalizzazione e dinamica sarà necessario che anche questi abbiano le migliori caratteristiche qualitative possibili come vedremo in altre argomentazioni.
Noise:
A livello digitale alcuni costruttori evidenziano non solo il rumore EIN che rappresenta il complessivo di rumore dato dalla conversione A/D o D/A, ma anche il singolo rumore dato dal segnale in dominio analogico ( definito Noise A-A o rumore analogico pesato A ), e/o in dominio digitale ( definito Noise A – D o rumore digitale pesato A ).
A-A Ottimi pre-amplificatori mantengono un rumore analogico inferiore ai – 85 dBA.
A-D ( EIN ) Ottimi pre-amplificatori mantengono un rumore analogico inferiore ai – 128 dBA.
n.b. Parametro generalmente calcolato a 0 dB di gain, ma in certi casi lo si può trovare anche in risposta ad un certo tipo di guadagno dato.
I migliori < – 128 dBA con 60 dB di guadagno ( più è alto il guadagno e più il rumore generato si alza, quindi un basso valore di rumore ad alto guadagno è sinonimo di qualità ).
Latenza di conversione:
Anche la latenza di conversione A/D e D/A è fondamentale, i migliori mantengono una velocità di conversione nel tempo di < 100 microsecondi.
Phase Shift
Come per quelli analogici anche i pre-amplificatori digitali devono avere un errore di fase minore possibile, prossimo ai 0°. In fase di conversione, come vedremo quando parleremo di audio digitale, la stabilità della tensione di alimentazione è fondamentale ancor più che in campo analogico, in quanto che è punto di riferimento per i valori di quantizzazione ( può creare DC Offest ).
Risoluzione di Amplificazione:
Il principale difetto pur non idealmente risolvibile in quanto che come vedremo in ogni paragone di audio analogico e audio digitale la differenza principale sta nella risoluzione, infinita in campo analogico e dipendente dalla risoluzione del dispositivo utilizzato in ambito digitale ( ad oggi praticamente risolto con dispositivi digitali con risoluzioni a livello psicoacustico percepibili in egual modo dall’orecchio umano ), è appunto la risoluzione di amplificazione, quando si amplifica a livello digitale più gli step sono piccoli e più di qualità sarà anche il processo di amplificazione, potendo cosi adeguare il livello audio secondo le necessità di mix e processamento, generalmente questo è accompagnato anche da un suono più trasparente ed una risposta in frequenza più lineare. Più gli step sono risolutivi e più l’orecchio percepirà un percorso di amplificazione lineare, al contrario invece si percepiranno fastidiosi “scalini” di amplificazione.
Ottimi pre-amplificatori digitali devono consentire step di amplificazione < 0,25 dB, ( i migliori 0,1 dB ).
n.b. Step inferiori a 1 dB sono generalmente impercettibili all’orecchio umano.
THD%:
I migliori hanno valori a + 20 dB di guadagno di 0,0005% seguendo il principio di calcolo visto per gli analogici. Valori di 0,001 sono comunque rappresentativi di un buon pre-amplificatore digitale.
Nei digitali è possibile trovarli anche con valori di riferimento riferiti al massimo digitale 0 dBFS o prossimi, esempio – 1 dBFS.
I migliori con riferimento a – 1 dBFS hanno un valore di 0,01%
CMRR ( Common-mode Rejection Ratio a volte nominato solo CMR ):
Calcolata generalmente ad 1 Khz o per una banda passante ( 20 Hz – 20 Khz ).
I migliori hanno valori > 90 dB ( 1 Khz ) e > 70 dB ( 20 hz – 20 Khz ).
Il guadagno di riferimento è 0 dB, ma si possono trovare calcoli anche con diverso guadagno, esempio 20 dB, un guadagno più alto abbassa ulteriormente il valore de CMRR in quanto vi sono meno fenomeni di retroazione.
Slew Rate:
Lo Slew Rate è un parametro che in dominio digitale non esiste in quanto non vi è un tempo di amplificazione, il segnale digitale è sotto forma di onda quadra e numeri binari, in questo caso si parla di tempo di latenza del processamento.
Comparazione oggettiva tra pre-amplificatori analogici e digitali
I migliori preamplificatori digitali si sono avvicinati molto alle caratteristiche dei migliori preamplificatori analogici, molti dei quali infatti hanno un identico a volte superiore a volte inferiore ( dipende dal costruttore ) valore di Max Input, in media però il preamplificatore analogico soprattutto quello con ingresso a trasformatore supporta valori di amplificazione più elevati, un po meno quello attivo e ancor meno il circuiti integrato/convertitore, il convertitore che funge anche da amplificatore é limitato al massimo livello di tensione per lo standard digitale seguito ( es. + 24 dB per lo standard SMPTE ). Lo stesso discorso vale per lo stadio di uscita Max Output.
A livello di rumore EIN i valori sono molto simili ( quantomeno in una misurazione da freddo ), il maggiore difetto dei componenti analogici è che riscaldandosi molto più che circuiti integrati e convertitori tendono fortemente a cambiare i loro valore nel tempo, per cui anche già dopo 1 ora di lavoro le specifiche tecniche tendono a diventare con un rumore generato superiore, mentre nei sistemi digitali questo non avviene e rimane costante. Per questo considerando un periodo di utilizzo i pre-amplificatori digitali sono superiori. La stessa cosa per il valore THD %.
I preamplificatori analogici avendo un valore di Max Input e Max Output superiore ( in quanto quelli digitali limitati dallo standard seguito ), consentono di avere anche una superiore Dinamica, punto debole degli amplificatori digitali per i motivi appena visti, se pur molto migliorati rispetto a qualche tempo fa, e che devono puntare tutto sulla riduzione dei valori di distorsione e rumore di fondo, a meno che in futuro non si adotti un diverso standard di riferimento per il digitale.
Generalmente i dati delle caratteristiche tecniche sono riferiti al Max Input analogico, quindi prima del convertitore A/D ( che può presentare valori di Max Input anche superiori allo standard digitale ), e Max Output analogico, quindi dopo convertitore D/A ( anch’esso può presentare valori di max output superiori a quello da standard digitale, soprattutto se la bilanciatura di uscita analogica o il semplice stadio di uscita sbilanciato è eseguito attivamente tramite amplificatori o ancor più trasformatori ). Ma come detto prima, il limite dinamico e di caratteristiche tecniche è limitato dai valori dello standard digitale utilizzato, in quanto che anche se il Max iìInput è a + 30 dB, dopo lo stadio di conversione A/D, il segnale viene elevato a tensioni digitali con massimo livello es. standard SMPTE + 24 dBFS ed è quello che alla fine della catena audio percepiamo. Avere un ingresso con più alto valore di Max Input permette comunque e sempre di mantenere un più basso valore di distorsione all’ingresso, anche se come detto pur se più basso, il circuito integrato/convertitore permette una più trasparenza tonale del pre analogico. Lo stesso discorso vale per lo stadio di uscita, in cui anche se presenta un valore di Max output ad esempio di +30 dB, il limite è sempre dato dal livello di conversione massimo che come limite ha lo 0 dB FS o sempre prendendo come esempio lo standard SMPTE + 24 dB. Un più alto Max Output consente al segnale a parità di conversione come quella a 0 dBFS di essere più lontano dalle distorsioni analogiche del convertitore stesso.
La risposta in frequenza degli amplificatori digitali è nettamente superiore a quella degli amplificatori analogici, spesso realizzata con ulteriori componenti di equalizzazione, la linerità di conversione soprattutto ad elevate risoluzioni è inarrivabile per il preamplificatore analogico ( risultano più trasparenti ).
Il mantenimento della corretta fase durante il processo di amplificazione è superiore in dominio digitale più che in quello analogico.
Il preamplificatore analogico è in grado di avere un più elevato grado di amplificazione rispetto a quello digitale ( anche sopra i livelli di 0 dBFS, che come detto è un limite per quelli digitali ) e per questo spesso viene utilizzato il preamplificatore analogico e poi convertito in digitale, amplificatore analogico in questo caso spesso limitato ai limiti di conversione e massimo livello di segnale gestibile dal convertitore ( 0 dBFS in digitale sono sempre per lo standard SMPTE + 24 dBu ). Quelli digitali che spesso invece come da specifiche non riescono ad arrivare con un livello di amplificazione allo 0 dBFS, produrranno quindi un livello superiore di distorsione quando amplificati fino al massimo valore digitale. Un convertitore che funge anche da amplificatore avrà un più basso livello di Max Input e rapporto dinamico rispetto ad ogni altra tipologia di preamplificatore ma offre una maggiore trasparenza sul segnale audio convertito e minore distorsione armonica ( si consideri che 110 dB di dinamica sono giá più che sufficienti per coprire qualsiasi genere musicale ).
Il vantaggio di avere un segnale audio digitale nonostante il più alto guadagno possibile da parte dell’analogico ( se pur di poco superiore a quello digitale ) è quello di poter lavorare agli stadi successivi di processamento con alti livelli di tensione, garantendo un processamento preciso e fine sul segnale audio mantenedo basso il livello di rumore e distorsione, ottenendo cosi in fondo alla catena audio prima dello stadio di amplificazione un segnale più pulito. In dominio analogico lo standard di riferimento per gli ingressi è 0 dB ( – 24 dBFS per lo standard SMPTE rispetto al dominio digitale ) o + 4 dBu ( – 22 dBFS ), valore per cui si ha il migliore rendimento nel percorso del segnale audio, inviando un segnale con un più alto livello di tensione si cominceranno a produrre distorsioni proporzionali a quanto più basso è il livello di max input supportato dall’ingresso dello stadio successivo, oltre che hai problemi di rapporto di impedenza tra i vari dispositivi connessi. In digitale invece non si hanno questa tipologia di problemi, una volta che il segnale è in dominio digitale è possibile inviarlo ad un qualsiasi altro dispositivo con ingresso digitale senza l’aggiunta di fenomeni distorsivi come quelli visti, saranno invece altri i problemi, che vedremo quando parleremo di audio digitale. In uscita dal convertitore D/A viene spesso data una leggera amplificazione ( soprattutto nelle uscite servobilanciate attive ), per consentire al sistema di avere una più ampia dinamica di uscita, ma introducendo un più alto rumore di fondo e distorsione THD%.
Per comparazione uno standard digitale a più alto livello di tensione come quello SMPTE a+ 24 dBu rispetto ad esempio a quello europeo a + 18 dBu, consente di sfruttare di più la possibile dinamica del convertitore D/A ma a scapito di un livello di distorsione maggiore in quanto si avvicina di più al possibile limite prima del clip, pregio invece di un livello di segnale più basso come quello EBU.
Per quanto riguarda l’ingresso di linea analogico, pre-amplificatori dedicati sono sicuramente la scelta migliore, ma se possibile per un ingresso di pre-amplificazione optare sempre per il segnale bilanciato a livello microfonico ( quindi bilanciando un segnale sbilanciato con D.I.Box ), ( con D.I. Box di alta qualità, altrimenti optare per l’ingresso diretto a livello di linea ). Il livello microfonico bilanciato è migliore dal punto di vista dei più bassi valori di rumore di fondo generati durante la fase di amplificazione, non chè un valore CMRR decisamente inferiore, questo perchè un segnale a livello di linea incontra una più alta resistenza di ingresso cosi da poter abbassare ed operare meglio sul segnale negli stadi successivi, resistenza che crea un suo rumore intrinseco aggiunto e che più difficilmente permette di gestire e controllare le controreazioni. L’unico pro del livello di linea è la più bassa distorsione generata in quanto che un più alto livello di tensione consente di avere un rapporto segnale rumore mediamente più elevato, grazie anche alla conseguente minore amplificazione necessaria per un segnale di livello operativo.
Il tutto da non confondere con i convertitori A/D di linea, i quali non presentano pre-amplificatore microfonico, se non uno di linea da supporto, ma quanto più un controllo sul guadagno di ingresso, i quali riescono ad ottenere grazie al lavoro a più alta tensione, parametri ancora superiori ai convertitori A/D microfonici.
Il convertitore di linea D/A sempre per il motivo di lavorare a più alti valori di tensione permette specifiche migliori rispetto a quello A/D microfonico, in applicazioni reali dipende però dal tipo di circuito e qualità del convertitore utilizzato.
Sincroni SRC e Asincroni ASRC
Anche i pre-amplificatori audio digitali come le stage box, patchbay e qualsiasi attrezzatura digitale possono essere sincroni o asincroni.
Quelli sincroni permettono l’eventuale cambio e quindi scelta della frequenza di campionamento per multipli interi, quelli asincroni invece permettono la scelta del campionamento in modo più minuzioso e preciso ma sono meno qualitativi, anche se ad oggi la qualità audio di un sistema asincrono si avvicina molto a quella degli sincroni.
Alcuni approfondimenti sui pre-amplificatori microfonici:
Alcuni produttori di pre-amplificatori microfonici professionali:
- A-Design
- AER ( Thomann )
- AMS Neve / Rupert Neve ( Amazon.com – Thomann1 – Thomann2 )
- Antelope Audio ( Amazon.it – Amazon.com – Thomann )
- Aphex ( Amazon.com )
- API ( Amazon.it – Amazon.com – Thomann )
- Arrel Audio
- ART ( Amazon.com – Thomann )
- Audient ( Amazon.it – Amazon.com – Thomann )
- Avalon ( Thomann )
- Avid ( Amazon.it – Amazon.com – Thomann )
- Bad Dogs
- Behringer ( Amazon.it – Amazon.com – Thomann )
- Big Bear Audio
- Black Lion ( Amazon.com – Thomann )
- Burl Audio ( Thomann )
- Buzz Audio
- Chandler ( Thomann )
- Charter Oak
- Cloud (Amazon.com – Thomann )
- Coil Audio
- Cranesong ( Thomann )
- Daking Audio
- Dave Hill ( Thomann )
- DBX ( Amazon.it – Amazon.com – Thomann )
- Digico
- Drawmer ( Amazon.it – Thomann )
- Empirical Lab ( Thomann )
- Eventide ( Thomann )
- Fairchild
- Fishman ( Amazon.it – Amazon.com )
- FMR ( Thomann )
- Focusrite ( Amazon.it – Amazon.com – Thomann )
- Forssell
- Fredenstein ( Thomann )
- Golden Age ( Thomann )
- Grace Design ( Amazon.it – Thomann )
- Great River ( Thomann )
- Heritage Audio ( Thomann )
- IGS Audio ( Amazon.it – Thomann )
- JDK Audio ( Amazon.it – Thomann )
- Joemeek ( Amazon.it – Thomann )
- Kahayan
- Lachapell
- Lake People ( Thomann )
- Lindell Audio ( Thomann )
- Lipinski
- LittleLabs
- M Audio ( Amazon.it – Amazon.com – Thomann )
- Maag
- GML
- Manley ( Amazon.com – Thomann )
- Midas ( Amazon.it – Amazon.com – Thomann )
- Millennia ( Amazon.it – Thomann )
- Peach Audio
- Pendulum
- Pete’s Place Audio
- Phonic ( Thomann )
- Presonus ( Amazon.it – Amazon.com – Thomann )
- Prism Sound ( Thomann )
- Purple Audio
- Radial ( Amazon.com – Thomann )
- RME ( Amazon.it – Amazon.com – Thomann )
- Roger Mayer
- Rolls ( Amazon.com – Thomann )
- Shadow Hills ( Thomann )
- SM Pro
- Sonic Farm
- Sonifex ( Thomann )
- Sound Device ( Thomann )
- Soundskulptor
- SPL ( Amazon.it – Thomann )
- SSL ( Thomann )
- Studio Projects ( Thomann )
- Summit Audio ( Amazon.it )
- Symetrix
- Tascam ( Amazon.it – Amazon.com – Thomann )
- Tegeler ( Thomann )
- Thermionic Culture
- TL Audio
- Tonelux
- Trident Audio
- True System
- Tube Tech ( Amazon.it – Thomann )
- Universal Audio ( Amazon.com – Thomann )
- Useful Arts
- Vertigo Sound
- Vintech ( Amazon.com )
- Ward-Beck
- Warm Audio ( Amazon.it – Amazon.com – Thomann )
- Weiss
- Wes Audio ( Thomann )
- Wunder Audio
- Yamaha ( Thomann )
Alcuni produttori di distributori e stabilizzatori di corrente professionali :
- Adam Hall ( Thomann )
- American Audio ( Amazon.com )
- Furman ( Amazon.it – Amazon.com – Thomann )
- Samson ( Amazon.it – Amazon.com – Thomann )
- The t.rack ( Thomann )
Preamplificatori Microfonici da me consigliati:
Acquista Pre-Amplificatori Audio dai principali Store
Pre-Amplificatori
Plugin e Software
Interfacce Audio
Distributori – Stabilizzatori di Corrente



2 pensieri su “Pre-Amplificatori Audio – I”